阿摩線上測驗
登入
首頁
>
電子學
>
105年 - 105 原住民族特種考試_四等_電子工程:電子學概要#57524
> 申論題
題組內容
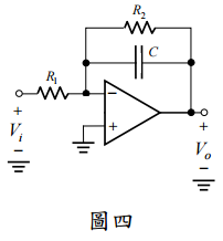
四、
⑴圖四電路是那一種濾波器?(10 分)
相關申論題
⑴電壓放大倍數 vo/vi。(10 分)
#226270
⑵輸出電流 io。(10 分)
#226271
⑴電壓 V 之值。(10 分)
#226272
⑵電流 I 之值。(10 分)
#226273
⑴如圖三,求電晶體集極端看入兩個電阻及電壓源組成的等效戴文寧電路(equivalent Thévenin circuit)。(10 分)
#226274
⑵當集極直流電流為 0.5 mA 時,利用⑴的等效電路求電壓增益 vo/vi 。VT = kT/q = 25 mV。 (10 分)
#226275
⑵請說明其工作原理。(10 分)
#226277
⑴圖五電路是那一種邏輯電路?(10 分)
#226278
⑵請說明其工作原理。(10 分)
#226279
6. 已知下圖疊接放大電路之MOSFET參數K₁=K₂=0.5mA/V²,靜態汲極電流ID為0.5mA,則電路之gm為?
#566892
相關試卷
115年 - 115-1 臺北市立大安高工教師甄選試題_電子/控制科:電子學#138452
115年 · #138452
115年 - 115 國營臺灣鐵路股份有限公司從業人員_甄試試題_第10階-助理技術員-電力、電務:電子學概要#138261
115年 · #138261
114年 - 114 地方政府公務特種考試_三等_電力工程、電子工程、電信工程:電子學#134800
114年 · #134800
114年 - 114 地方政府公務特種考試_四等_電力工程、電子工程、電信工程:電子學概要#134742
114年 · #134742
114年 - 114 專技高考_電子工程技師:電子學#133712
114年 · #133712
114年 - 114 公務升官等考試_薦任_電力工程、電子工程、電信工程:電子學#133247
114年 · #133247
114年 - 114 原住民族特種考試_四等_電子工程:電子學概要#130947
114年 · #130947
114年 - 114 專技高考_專利師(選試專業英文及電子學)、專利師(選試專業日文及電子學):電子學#130110
114年 · #130110
114年 - 114 普通考試_電力工程、電子工程、電信工程:電子學概要#128790
114年 · #128790
114年 - 114 高等考試_三級_電力工程、電子工程、電信工程:電子學#128768
114年 · #128768