阿摩線上測驗
登入
首頁
>
電子學
>
101年 - 101 地方政府特種考試_四等_電力工程、電子工程、電信工程:電子學概要#44563
>
題組內容
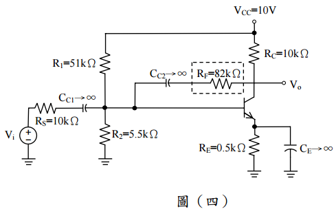
四、圖(四)所示為一回授放大器電路,電晶體參數為h
FE
= 100,V
BE(on)
= 0.7V, 厄粒電壓(Early voltage)V
A
= ∞,偏壓電流及偏壓電壓各為I
CQ
= 0.492mA及 V
CEQ
= 5.08V,試求出
⑴小訊號等效電路(20 分)
其他申論題
【已刪除】一、圖(一)所示為一電晶體電路,若電晶體工作於主動區(active region),則基極至 射極導通電壓,VBE(on) = 0.7V,若電晶體工作於飽和區(saturation region),則 VCE(sat) = 0.2V,試求IB及IC電流,已知電晶體之β值為 100。(20 分)
#147132
【已刪除】二、圖(二)所示為一截波器(clipper)電路,若二極體D1、D2均為理想二極體,輸入 VI是峰值為 6V之正弦波,試求出VO之波形。(20 分)
#147133
⑴Vo值與VI1及VI2之關係方程式,
#147134
【已刪除】⑵若 ,試求Vo值。(20 分)
#147135
五、⑴試繪 CMOS 反相器電路圖並說明其功能(5 分)
#147137
⑵試說明 C 級放大器特性(5 分)
#147138
⑶試說明 NAND Gates 特性(5 分)
#147139
⑷試說明 R-S 正反器特性(5 分)
#147140
⑴效能評估樣品(Performance test sample)
#147141
⑵內標物(Internal standard)
#147142