阿摩線上測驗 登入

申論題資訊

試卷:107年 - 107 身心障礙特種考試_四等_電力工程:基本電學#69051
科目:基本電學(概要)
年份:107年
排序:0

題組內容

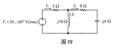
四、一電路如圖四所示:

申論題內容

⑴求電流 I1、I2及 I3之值各多少?(15 分)

詳解 (共 1 筆)

詳解 提供者:楊文傑