題組內容
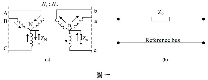
一、圖一(a)為三相 Y-Y 理想變壓器之示意接線圖,一次側包含 A, B, C 三條線路;二次側 包含 a, b, c 三條線路。兩側均採用中性點接地,中性點接地阻抗分別為 ZN 與 Zn,各 個單相變壓器匝數比均為 N1:N2。
⑴試證明其零序之等效電路如圖(b)所示。(15 分)
一、圖一(a)為三相 Y-Y 理想變壓器之示意接線圖,一次側包含 A, B, C 三條線路;二次側 包含 a, b, c 三條線路。兩側均採用中性點接地,中性點接地阻抗分別為 ZN 與 Zn,各 個單相變壓器匝數比均為 N1:N2。
⑴試證明其零序之等效電路如圖(b)所示。(15 分)