阿摩線上測驗
登入
首頁
>
結構學
>
101年 - 101 高等考試_三級_土木工程:結構學#34253
> 申論題
題組內容
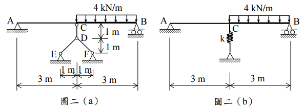
二、分析圖二(a)所示組合構架桿件CD之軸力(F
CD
),已知梁AB桿件之EI值為 47,000 kN-m
2
,所有二力桿件之EA值為 80,000 kN。
⑴若分析時,將圖二(a)結構簡化成如圖二(b)所示,求該彈簧之勁度(k)。 (5 分)
相關申論題
⑴求剛構架之軸力圖、剪力圖及彎矩圖。(10 分)
#86823
⑵考慮軸力(N)、剪力(V)及彎矩(M)作用引起之B點水平位移量(ΔB,h)。 (10 分)
#86824
⑶若只考慮彎矩(M)作用所引起之B點水平位移量(ΔB,h),其誤差百分比為何? (5 分)
#86825
⑵限以符合變形法(Method of Consistent Deformation)求解FCD。(20 分) (註:若使用其他方法,本小題以零分計。)
#86827
⑴限以傾角變位法(Slope-Deflection Method)求各桿件端點之彎矩。(20 分) (註:若使用其他方法,本小題以零分計。)
#86828
⑵求 D 點之垂直位移量。(5 分)
#86829
⑴考慮結構之對稱性可以簡化分析,請問簡化後之最少位移自由度為何?(5 分)
#86830
⑵限以直接勁度法(Direct Stiffness Method)求二力桿件 AD 之軸力及桿件 BD 端 點之彎矩。(20 分) (註:若使用其他方法,本小題以零分計。)
#86831
四、試繪製【圖五】所示梁之剪力圖與彎矩圖,B點為鉸接。
#562135
三、如【圖四】所示為可雙向通行之梁且C點為鉸接,當一車輪組荷重行駛過該梁時,試求梁中B點之最大彎矩及C點之最大剪力。
#562134
相關試卷
114年 - 114 地方政府公務特種考試_三等_土木工程:結構學#134751
114年 · #134751
114年 - 114 專技高考_結構工程技師:結構學#133714
114年 · #133714
114年 - 114 公務升官等考試_薦任_土木工程:結構學#133255
114年 · #133255
114年 - 114 高等考試_三級_土木工程:結構學#128592
114年 · #128592
113年 - 113 國營臺灣鐵路股份有限公司_從業人員甄試_第8階-助理工程師-土木工程:結構學#137100
113年 · #137100
113年 - 113-2 國營臺灣鐵路股份有限公司_從業人員甄試_第8階-助理工程師-土木工程:結構學#137088
113年 · #137088
113年 - 113-2 國營臺灣鐵路股份有限公司_從業人員甄試_第 9 階-技術員-土木工程:結構學概要#135451
113年 · #135451
113年 - 113 地方政府公務特種考試_三等_土木工程:結構學#124531
113年 · #124531
113年 - 113 專技高考_結構工程技師:結構學#123910
113年 · #123910
113年 - 113 高等考試_三級_土木工程:結構學#121402
113年 · #121402