阿摩線上測驗
登入
首頁
>
電力系統
>
98年 - 098年警察人員、98年交通事業鐵路人員及98年民航人員高員3級_電力工程#34109
> 申論題
申論題
試卷:98年 - 098年警察人員、98年交通事業鐵路人員及98年民航人員高員3級_電力工程#34109
科目:電力系統
年份:98年
排序:0
申論題資訊
試卷:
98年 - 098年警察人員、98年交通事業鐵路人員及98年民航人員高員3級_電力工程#34109
科目:
電力系統
年份:
98年
排序:
0
題組內容
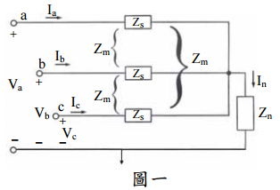
一、考慮一個三相平衡Y接線負載,同時存在有自感量與互感量,如圖一所示。假設三 相的相電壓不平衡,且負載的中性線與大地之間有一個阻抗Z
n
。請推導出下列公式:
申論題內容
⑵正序阻抗。(5 分)