阿摩線上測驗
登入
首頁
>
電力系統
>
95年 - 095年高等三級暨普通電力工程(高考)#38300
> 申論題
題組內容
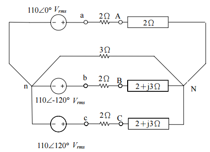
五、下圖為一個三相四線不平衡電力系統,試求:
⑵此系統實功輸出為多少?(10 分)
相關申論題
⑴求出此線路發電端之輸出功率。(10 分)
#112705
⑵線路損失為何?(10 分)
#112706
⑴求能滿足上述資料最適當的輸入輸出(I/O)曲線。(10 分)
#112707
⑵當負載為 495 MW 時,求滿足最低成本之各發電機組發電量。(10 分)
#112708
⑴求此工廠所消耗視在功率為何?(10 分)
#112709
⑵求補償功率因數至 1.0 的方法。(10 分)
#112710
⑴何謂再生能源?試舉五例。(10 分)
#112711
⑵你認為在台灣最有潛力的再生能源為何?試舉三例說明。(10 分)
#112712
⑴中性線電流與電壓。(10 分)
#112713
(二)利用等面積準則,列出計算此情境下的臨界清除角δcr的公式。(12 分)
#570018
相關試卷
115年 - 115 關務特種考試_三等_電機工程(選試英文):電力系統#138944
115年 · #138944
114年 - 114 地方政府公務特種考試_三等_電力工程:電力系統#134738
114年 · #134738
114年 - 114 專技高考_電機工程技師:電力系統#133708
114年 · #133708
114年 - 114 公務升官等考試_薦任_電力工程:電力系統#133165
114年 · #133165
114年 - 114 高等考試_二級_電力工程:電力系統#131586
114年 · #131586
114年 - 114 高等考試_三級_電力工程:電力系統#128774
114年 · #128774
114年 - 114 關務特種考試_三等_電機工程(選試英文):電力系統#126644
114年 · #126644
113年 - 113 臺灣菸酒股份有限公司_從業職員及從業評價職位人員甄試試題_電子電機:電力系統(含電路學)#133978
113年 · #133978
113年 - 113 地方政府公務特種考試_三等_電力工程:電力系統#124553
113年 · #124553
113年 - 113 專技高考_電機工程技師:電力系統#123952
113年 · #123952