阿摩線上測驗
登入
首頁
>
電力系統
>
102年 - 102年警察人員、102年一般警察人員、102年交通事業鐵路人員考交通事業鐵路人員高員三級_電力工程#34106
> 申論題
申論題
試卷:102年 - 102年警察人員、102年一般警察人員、102年交通事業鐵路人員考交通事業鐵路人員高員三級_電力工程#34106
科目:電力系統
年份:102年
排序:0
申論題資訊
試卷:
102年 - 102年警察人員、102年一般警察人員、102年交通事業鐵路人員考交通事業鐵路人員高員三級_電力工程#34106
科目:
電力系統
年份:
102年
排序:
0
題組內容
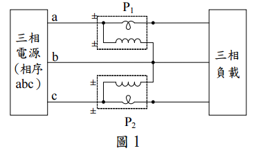
一、理想的瓦特表(wattmeter)有零阻抗的電流線圈及無窮大阻抗的電壓線圈,其電功 率讀值P =VI cos(α − β),式中之 V 及 I 分別表示其電壓線圈所跨電壓及電流線圈所 流過電流;而α及β則分別表示其所跨電壓及所流過電流的相位角。若以 2 個理想的 瓦特表 P
1
及 P
2
接成圖 1,量測平衡三相負載的電功率。若相電壓領先電流的角度為 θ,而 V
L
及 I
L
分別表示線電壓及線電流,試以 a 相相電壓
為參考相量,證明:
申論題內容
⑵瓦特表 P
2
的讀值為 P
2
= =V
L
I
L
cos(θ +30 °) (5 分)