阿摩線上測驗
登入
首頁
>
電子學
>
96年 - 96 專利商標審查特種考試_三等_電子工程、控制工程、電信工程:電子學#49294
>
題組內容
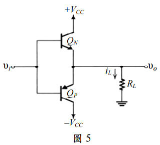
五、圖 5 所示為 B 類輸出級,其中 V
CC
= 6 V,R
L
= 4 Ω。假如輸出為弦波,峰值振幅為 4.5V,求
⑵由每個電源供應器抽出的平均功率;
其他申論題
⑴畫出迴路增益的波德圖。(5 分)
#173291
⑵求| Aβ | = 1 時的頻率。(5 分)
#173292
⑶求閉迴路轉換函數,包括其零點與極點。畫出轉換函數絕對值對頻率圖,並 標出圖中的重要參數。(10 分)
#173293
⑴輸出功率;
#173294
⑶此輸出電壓下所得 的功率效率;
#173296
⑷假設 βN = βP = 50,υI 供應的峰值電流;
#173297
⑸每個電晶體必須能安全散 逸的最大功率。(20 分)
#173298
⑴ 成千上萬個南韓卡車司機在上星期五開始罷工,要求政府增加油價補貼,提高運 費。司機們揚言癱瘓國家碼頭,挑戰不受歡迎的李明博總統政府。
#173299
⑵ 地震時,如果你在室內,盡量以堅固的傢具作為掩護,遠離窗戶、鏡子、吊燈和 可能掉落在你身上的傢具。如果在室外,你要盡快移動到空曠區,遠離樹木、建 築、招牌、街燈和電線等。如果你正在行車,要盡快停車,並避開可能會因地震 受損的橋樑。
#173300
二、作文:(30 分) Do you love your job? Some people enjoy their job as much as their leisure time, waking up every day eager to get on with the job, but more people complain about their work or see it as a necessary evil. Describe your job and why you chose to do what you do? If you were young again, would you start a brand new career in a completely different profession? Why or why not? Write a paragraph of around 150 words illustrating your arguments.
#173301