阿摩線上測驗
登入
首頁
>
電子學
>
108年 - 108 鐵路特種考試_員級_電力工程、電子工程:電子學概要#76853
> 申論題
題組內容
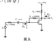
五、如圖五所示之電路,設電晶體參數 V
TN
= 2 V、λ = 0 V
-1
、K
n
= 0.2 mA/V
2
。
⑵試求小信號電壓增益 A
v
= V
o
/ V
s
。(10 分)
相關申論題
一、如圖一所示之電路,設二極體導通電壓 Vγ = 0.7 V、R1 = 5 kΩ、R2 = 10 kΩ、 V + = +5 V 且 V - = -5 V。試求 vI = 3 V 時,vo、iD1及 iD2之值。(20 分)
#310799
二、如圖二所示之電晶體電路,若電晶體工作於主動區(active region),則 基極至射極電壓 VBE(on)= 0.7 V,若電晶體工作於飽和區(saturation region),則集極至射極電壓 VCE(sat)= 0.2 V,設電晶體之 β = 100,試求電 流 IB、IC及 VC之值。(20 分)
#310800
三、如圖三所示之邏輯電路,試寫出輸出 Y 與輸入 A、B、C 間的關係式。 (15 分)
#310801
⑴試求轉移函數 ,其中 Vo (s)及 Vi (s)分別為 vo (t)及 vi (t)之拉 普拉氏轉換(Laplace transform)。(10 分)
#310802
⑵若 vi (t) = sin(t) V 時,試求 vo (t)之穩態響應(steady-state response)。 (10 分)
#310803
⑴試求靜態汲極電流 IDQ和汲-源級電壓 VDSQ。(5 分)
#310804
⑶試求輸出阻抗 Rof。(10 分)
#310806
6. 已知下圖疊接放大電路之MOSFET參數K₁=K₂=0.5mA/V²,靜態汲極電流ID為0.5mA,則電路之gm為?
#566892
5. 如圖所示電路,Vi=3.77cos377tV,R=100kΩ,C=1μF,電容電壓初值為零,則輸出電壓Vo為?
#566891
4. 如圖所示電路,若運算放大器具理想特性且Vo=12V,試求電流源I1為?
#566890
相關試卷
115年 - 115-1 臺北市立大安高工教師甄選試題_電子/控制科:電子學#138452
115年 · #138452
115年 - 115 國營臺灣鐵路股份有限公司從業人員_甄試試題_第10階-助理技術員-電力、電務:電子學概要#138261
115年 · #138261
114年 - 114 地方政府公務特種考試_三等_電力工程、電子工程、電信工程:電子學#134800
114年 · #134800
114年 - 114 地方政府公務特種考試_四等_電力工程、電子工程、電信工程:電子學概要#134742
114年 · #134742
114年 - 114 專技高考_電子工程技師:電子學#133712
114年 · #133712
114年 - 114 公務升官等考試_薦任_電力工程、電子工程、電信工程:電子學#133247
114年 · #133247
114年 - 114 原住民族特種考試_四等_電子工程:電子學概要#130947
114年 · #130947
114年 - 114 專技高考_專利師(選試專業英文及電子學)、專利師(選試專業日文及電子學):電子學#130110
114年 · #130110
114年 - 114 普通考試_電力工程、電子工程、電信工程:電子學概要#128790
114年 · #128790
114年 - 114 高等考試_三級_電力工程、電子工程、電信工程:電子學#128768
114年 · #128768