阿摩線上測驗
登入
首頁
>
電子學
>
109年 - 109 高等考試_三級_電力工程、電子工程、電信工程:電子學#88973
> 申論題
題組內容
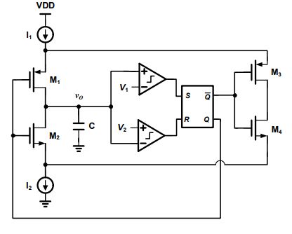
4. 下圖為一振盪器。若V
1
= 4 V,V
2
= 1 V,vo的初始值為3 V,Q的初始值為邏輯0。若I
1
= 1 mA,I
2
= 4 mA,C = 10 pF,求Q在穩態時之輸出:
⑵責任週期(Duty cycle)。
相關申論題
⑴輸入阻抗(Ri)
#361382
⑵輸出阻抗(Ro)
#361383
⑶電壓增益(需標註正負號)
#361384
⑴ 之低頻增益。(需標註正負號)
#361385
⑵ 之主極點頻率(Dominant pole frequency)。
#361386
⑴直流小信號增益。(需標註正負號)
#361387
⑵ 之3 dB頻率(ωH)。
#361388
⑴頻率。
#361389
⑴VO之峰值(Peak value)。
#361391
⑵電阻R之平均功耗。
#361392
相關試卷
115年 - 115-1 臺北市立大安高工教師甄選試題_電子/控制科:電子學#138452
115年 · #138452
115年 - 115 國營臺灣鐵路股份有限公司從業人員_甄試試題_第10階-助理技術員-電力、電務:電子學概要#138261
115年 · #138261
114年 - 114 地方政府公務特種考試_三等_電力工程、電子工程、電信工程:電子學#134800
114年 · #134800
114年 - 114 地方政府公務特種考試_四等_電力工程、電子工程、電信工程:電子學概要#134742
114年 · #134742
114年 - 114 專技高考_電子工程技師:電子學#133712
114年 · #133712
114年 - 114 公務升官等考試_薦任_電力工程、電子工程、電信工程:電子學#133247
114年 · #133247
114年 - 114 原住民族特種考試_四等_電子工程:電子學概要#130947
114年 · #130947
114年 - 114 專技高考_專利師(選試專業英文及電子學)、專利師(選試專業日文及電子學):電子學#130110
114年 · #130110
114年 - 114 普通考試_電力工程、電子工程、電信工程:電子學概要#128790
114年 · #128790
114年 - 114 高等考試_三級_電力工程、電子工程、電信工程:電子學#128768
114年 · #128768