阿摩線上測驗
登入
首頁
>
鋼筋混凝土學與設計
>
101年 - 101 鐵路特種考試_高員三級_土木工程:鋼筋混凝土學與設計#33879
> 申論題
題組內容
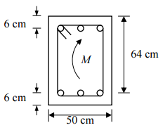
四、一矩形短柱斷面如下圖所示,斷面配置六支 D32 鋼筋。試求:
⑶若係數化載重所造成之軸力為 130 tf、彎矩為 55 tf-m,求在此載重偏心距下,斷面之φP
n
、φM
n
,並檢核斷面是否安全。(10 分)
相關申論題
⑴斷面計算彎矩強度Mn。(15 分)
#84832
⑵斷面設計彎矩強度φM n。(5 分)
#84833
⑶檢核斷面在題目所述載重下,彎矩強度是否符合規範要求。(5 分)
#84834
⑴本題之最大設計剪力可採距離支承面 55 cm 處之設計剪力,理由為何?(5 分)
#84835
⑵依前述最大設計剪力求箍筋間距。(15 分)
#84836
⑶說明梁剪力裂縫與撓曲裂縫之特徵。(5 分)
#84837
⑴何謂頂層鋼筋效應?(5 分)
#84838
⑵限制 (cb+ Ktr) / db之值不得大於 2.5 之原因為何?(5 分)
#84839
⑶在不改變材料強度的前提下,敘述兩種可降低鋼筋受拉伸展長度之方法。(5 分)
#84840
根據耐震設計之規定:⑷耐震構材之鋼筋需滿足實測降伏強度不得超出規定降伏強度fy達 4200 kgf/cm2 以上 ,其理由為何?(5 分)
#84841
相關試卷
114年 - 114 地方政府公務、離島地區公務特種考試_三等_土木工程:鋼筋混凝土學與設計#134753
114年 · #134753
114年 - 114 高等考試_三級_土木工程:鋼筋混凝土學與設計#128726
114年 · #128726
113年 - 113-2 國營臺灣鐵路股份有限公司_從業人員甄試試題_第9階-技術員-土木工程:鋼筋混凝土學與設計概要#137156
113年 · #137156
113年 - 113 國營臺灣鐵路股份有限公司_從業人員甄試_第8階-助理工程師-土木工程:鋼筋混凝土學與設計#137104
113年 · #137104
113年 - 113-2 國營臺灣鐵路股份有限公司_從業人員甄試_第8階-助理工程師-土木工程:鋼筋混凝土學與設計#137090
113年 · #137090
113年 - 113-2 國營臺灣鐵路股份有限公司_從業人員甄試_第 9 階-技術員-土木工程:鋼筋混凝土學與設計概要#135450
113年 · #135450
113年 - 113 地方政府公務、離島地區公務特種考試_三等_土木工程:鋼筋混凝土學與設計#124342
113年 · #124342
113年 - 113 高等考試_三級_土木工程:鋼筋混凝土學與設計#121483
113年 · #121483
113年 - 113 國營臺灣鐵路股份有限公司_從業人員甄試_第 9 階-技術員-土木工程:鋼筋混凝土學與設計概要#119089
113年 · #119089
112年 - 112 地方政府特種考試_三等_土木工程:鋼筋混凝土學與設計#118382
112年 · #118382