阿摩線上測驗
登入
首頁
>
電子學
>
102年 - 102 身心障礙特種考試_三等_電力工程、電子工程:電子學#44278
> 申論題
題組內容
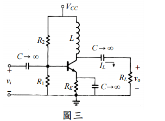
三、如圖三所示之功率放大電路:
㈠屬於那一類功率放大器?請說明理由。(5 分)
相關申論題
㈠請說明此電路之功能(10 分);
#145365
㈡若將二極體 D1 與 D2 的方向全部顛倒,則此電路還能正常運作嗎?若可,請一樣說明其功能。 (5 分)
#145370
㈡假設 L 很大、RE 與 Rcoil(L 的寄生電阻)很小且遠小於 RL、輸出電流為弦波式( Sinusoidal),則在最大輸出擺幅(Output Swing)的情形下,求出此放大電路之最 大功率轉換效率(Power Conversion Efficiency)。(15 分)
#145371
㈠該開路放大器 A 是否穩定?它有幾個極點(Pole)與零點(Zero),位於何處? 請詳細說明。(10 分)
#145368
㈡若迴授係數 β 與頻率無關,且此迴授系統需要 45° 之相位邊限(Phase Margin), 請問 β 需設定為多少?(10 分)
#145372
㈡請以數量最少的反及閘(NAND)來實現該互斥或閘。只需畫出全部以反及閘組 成之該數位邏輯電路便可,不須繪出如㈠中以場效電晶體組成之詳細 CMOS 電 路。(10 分)
#145373
#145374
6. 已知下圖疊接放大電路之MOSFET參數K₁=K₂=0.5mA/V²,靜態汲極電流ID為0.5mA,則電路之gm為?
#566892
5. 如圖所示電路,Vi=3.77cos377tV,R=100kΩ,C=1μF,電容電壓初值為零,則輸出電壓Vo為?
#566891
4. 如圖所示電路,若運算放大器具理想特性且Vo=12V,試求電流源I1為?
#566890
相關試卷
115年 - 115-1 臺北市立大安高工教師甄選試題_電子/控制科:電子學#138452
115年 · #138452
115年 - 115 國營臺灣鐵路股份有限公司從業人員_甄試試題_第10階-助理技術員-電力、電務:電子學概要#138261
115年 · #138261
114年 - 114 地方政府公務特種考試_三等_電力工程、電子工程、電信工程:電子學#134800
114年 · #134800
114年 - 114 地方政府公務特種考試_四等_電力工程、電子工程、電信工程:電子學概要#134742
114年 · #134742
114年 - 114 專技高考_電子工程技師:電子學#133712
114年 · #133712
114年 - 114 公務升官等考試_薦任_電力工程、電子工程、電信工程:電子學#133247
114年 · #133247
114年 - 114 原住民族特種考試_四等_電子工程:電子學概要#130947
114年 · #130947
114年 - 114 專技高考_專利師(選試專業英文及電子學)、專利師(選試專業日文及電子學):電子學#130110
114年 · #130110
114年 - 114 普通考試_電力工程、電子工程、電信工程:電子學概要#128790
114年 · #128790
114年 - 114 高等考試_三級_電力工程、電子工程、電信工程:電子學#128768
114年 · #128768