阿摩線上測驗 登入

申論題資訊

試卷:110年 - 110 中華郵政股份有限公司_職階人員甄試試題_專業職(一)/機械設備_專業科目(2):機械設計概要#106596
科目:機械設計
年份:110年
排序:0

題組內容

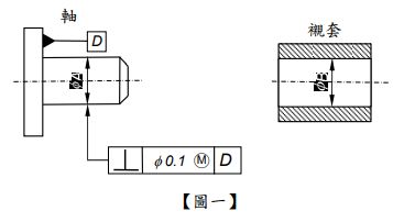
第一題: 如【圖一】所示為軸與襯套配合件之零件圖,已知襯套孔徑尺寸621ee48b9c194.jpg,軸徑尺 寸 A 之基本尺寸=25mm,其公差=0.14mm,軸與襯套孔配合之容差(allowance)=0.15 mm。 請回答下列問題:
621ee4a5150da.jpg

申論題內容

(三)承第(二)小題,若實際軸徑尺寸 A=24.78 mm 時,軸中心線之垂直度公差值應 為何?【7 分】