題組內容
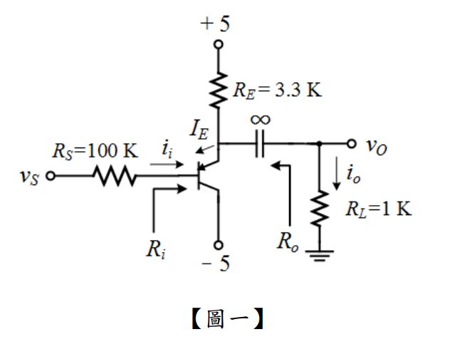
第一題: 如【圖一】為射級隨耦電路,假設電路參數電晶體 β=120,請問:
(三)電流增益 io/ii,求輸出阻抗 Ro?【10 分】
詳解 (共 1 筆)
詳解
io/ii=(io/ie)*(ie/ii)=(3.3/4.3)*(ie/(ie/101))=77.51
Ro=3.3K+25.95+100K=103.32595K歐姆