阿摩線上測驗 登入

申論題資訊

試卷:110年 - 110 臺灣菸酒股份有限公司_從業職員及從業評價職位人員甄試_從業職員/ 機械_專業科目 3:機械設計#111382
科目:機械設計
年份:110年
排序:0

題組內容

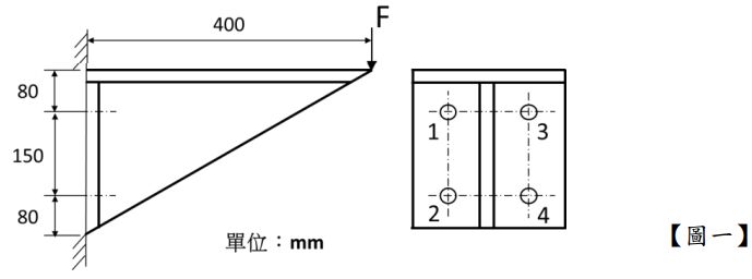
第一題: 如【圖一】所示之鋼架,此鋼架以4支 M12之螺栓(節距p=1.75mm、節圓直徑10.863mm) 鎖固於垂直牆面上,且螺栓事先鎖緊產生之預負荷為 7500[N]。若螺栓之降伏強度 sy = 480(?Pa),螺栓根部面積視為應力作用面積,安全因數 Fs = 2.0,請回答下列問題:
6358a7fa006cc.jpg

申論題內容

(四)若在負荷 F=10,000[N]的作用下,最大拉力發生在哪一支螺栓?最大拉應力的值 [MPa]為何?【5 分】