阿摩線上測驗
登入
首頁
>
電子學
>
104年 - 104 一般警察特種考試_二等_刑事警察人員電子監察組:電子學(重複)#43025
> 申論題
題組內容
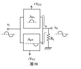
四、圖四為理想 B 類功率放大器,其中 A
P+
與 A
P-
分別為理想正半週與負半週信號放大電 路,假設無交叉失真(crossover distortion),當 v
I
=0 時,v
O
= 0,且電源無功率消耗。 已知 V
CC
= 20 V,R
L
= 8 Ω,在某輸入下,輸出端 v
O
呈現理想弦波,其負載之平均消 耗功率為 16 W,請求出:
⑴整個放大器之功率轉換效率(power conversion efficiency)
η
=?(10 分)
相關申論題
⑴輸出 DC 電壓 Vo 為多少?(10 分)
#137222
⑵輸出 ac 信號中之 m =?(10 分)
#137223
⑴ DC 工作點 IC =?(10 分)
#137224
⑵小信號增益 Av = vo/vi =?(10 分)
#137225
⑴ DC 工作點 VDS1 =?(10 分)
#137226
⑵小信號增益 Av = vo/vi =?(10 分)
#137227
⑵若調整輸入信號大小,在輸出不失真下,每個 AP 可能出現之最大消耗功率為多少? (10 分)
#137229
⑴該放大器之低頻-3 dB 頻率 ωL 為多少 rad/s ?(10 分)
#137230
⑵在ω = ωL 時該電路之增益 |T(ωL)|為多少 dB?(10 分)
#137231
6. 已知下圖疊接放大電路之MOSFET參數K₁=K₂=0.5mA/V²,靜態汲極電流ID為0.5mA,則電路之gm為?
#566892
相關試卷
115年 - 115-1 臺北市立大安高工教師甄選試題_電子/控制科:電子學#138452
115年 · #138452
115年 - 115 國營臺灣鐵路股份有限公司從業人員_甄試試題_第10階-助理技術員-電力、電務:電子學概要#138261
115年 · #138261
114年 - 114 地方政府公務特種考試_三等_電力工程、電子工程、電信工程:電子學#134800
114年 · #134800
114年 - 114 地方政府公務特種考試_四等_電力工程、電子工程、電信工程:電子學概要#134742
114年 · #134742
114年 - 114 專技高考_電子工程技師:電子學#133712
114年 · #133712
114年 - 114 公務升官等考試_薦任_電力工程、電子工程、電信工程:電子學#133247
114年 · #133247
114年 - 114 原住民族特種考試_四等_電子工程:電子學概要#130947
114年 · #130947
114年 - 114 專技高考_專利師(選試專業英文及電子學)、專利師(選試專業日文及電子學):電子學#130110
114年 · #130110
114年 - 114 普通考試_電力工程、電子工程、電信工程:電子學概要#128790
114年 · #128790
114年 - 114 高等考試_三級_電力工程、電子工程、電信工程:電子學#128768
114年 · #128768