阿摩線上測驗
登入
首頁
>
電子學
>
100年 - 100 地方政府特種考試_三等_電力工程、電子工程、電信工程:電子學#45252
> 申論題
申論題
試卷:100年 - 100 地方政府特種考試_三等_電力工程、電子工程、電信工程:電子學#45252
科目:電子學
年份:100年
排序:0
申論題資訊
試卷:
100年 - 100 地方政府特種考試_三等_電力工程、電子工程、電信工程:電子學#45252
科目:
電子學
年份:
100年
排序:
0
題組內容
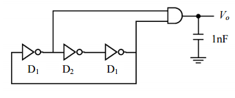
五、分析如下之數位電路。若數位電路之邏輯 1 為 5 V,邏輯 0 為 0 V,反向器D1之傳 遞延遲為 1 奈秒(n sec),D2之傳遞延遲為 2 奈秒(n sec)。
申論題內容
⑴試求V
o
之頻率。(5 分)