阿摩線上測驗
登入
首頁
>
升資考/佐級晉員級◆電工原理概要
>
103年 - 103 交通事業鐵路升資考試_佐級晉員級_技術類(選試電工原理概要):電工原理概要#38437
> 申論題
題組內容
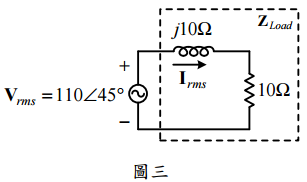
三、如圖三,各相量大小以有效值表示:
⑵計算負載側總實功率。(5 分)
相關申論題
⑴求解 a、b 兩端之諾頓等效電路。(10 分)
#113562
⑵將不同的負載電阻跨於 a、b 兩端,逐一量測其消耗功率,發現在某一負載電阻 值,有最大消耗功率。請計算該最大消耗功率。(5 分)
#113563
⑴求解電流相量 Irms。(5 分)
#113564
⑶計算負載功率因數。(5 分)
#113566
⑴750 V 直流電壓的供應功率為多少瓦(W)?(5 分)
#113567
⑵各永磁式直流電動機此時的輸出功率為多少瓦(W)?(5 分)
#113568
⑶該車廂上坡之穩態速度為多少 km/小時?(5 分)
#113569
⑴請計算負載阻抗 ZLoad。(5 分)
#113570
⑵請計算相量表示式 I。(5 分)
#113571
⑴請將電源表示為以有效值為大小之相量表示式 V1,rms。(5 分)
#113572
相關試卷
112年 - 112 交通事業鐵路升資考試_佐級晉員級_技術類(選試電工原理概要)—鐵路:電工原理概要#117351
112年 · #117351
109年 - 109 交通事業鐵路升資考試_佐級晉員級_技術類(選試電工原理概要):電工原理概要#92603
109年 · #92603
106年 - 106 交通事業鐵路升資考試_佐級晉員級_技術類(選試電工原理概要):電工原理概要#66003
106年 · #66003
103年 - 103 交通事業鐵路升資考試_佐級晉員級_技術類(選試電工原理概要):電工原理概要#38437
103年 · #38437
100年 - 100 交通事業鐵路升資考試_佐級晉員級_技術類(選試電工原理概要):電工原理概要#38357
100年 · #38357
97年 - 97 交通事業鐵路升資考試_佐級晉員級_技術類:電工原理概要#38371
97年 · #38371
96年 - 96 交通事業郵政升資考試_佐級晉員級_電機工程:電工原理概要#39198
96年 · #39198
96年 - 96 交通事業公路升資考試_佐級晉員級_電機工程:電工原理概要#39167
96年 · #39167
95年 - 95 交通事業港務升資考試_佐級晉員級_電機工程:電工原理概要#38643
95年 · #38643