阿摩線上測驗
登入
首頁
>
電子學
>
97年 - 97 高等考試_三級_電力工程、電子工程:電子學#49046
> 申論題
題組內容
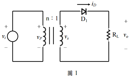
一、圖 1 所示為一單相半波整流器,外加交流電壓源 v
i
(有效值電壓為 120V,60Hz), 於降壓變壓器上,線圈匝數比為 n:1=10:1。若負載電阻 R
L
為 5Ω,試求下列各 值。(20 分)
⑵負載電壓的均方根值 V
o
(rms)。
相關申論題
⑴負載電阻 RL 兩端平均輸出電壓 Vo(dc)。
#171844
⑶平均二極體電流 ID(av)。
#171846
二、圖 2(a)所示為一含源極電阻 RS 的 FET 放大器,其小訊號交流等效電路如圖 2(b)所 示,輸出端為汲極。FET 的參數為 gm=20mA/V,ro=∞,求等效電壓放大器的參數 Avo,Ri 及 Ro 值。(20 分)
#171847
⑴試利用米勒定理(Miller theorem)求頻率相關增益。 的表示式
#171848
⑵求轉角頻率(Corner frequency)及頻寬 WH。
#171849
⑴試說明 Nyquist 穩定性之原則。
#171850
⑵一振盪器,若其回路增益(Loop gain)為 ,試求其相位邊限 (Phase margin)及增益邊限(Gain margin)。
#171851
⑴何謂 B 類放大器(Class B stage amplifier),其優缺點為何?
#171852
⑵試說明晶體振盪器之工作原理。
#171853
⑶試解釋 Master-Slave D flip-flop。
#171854
相關試卷
115年 - 115-1 臺北市立大安高工教師甄選試題_電子/控制科:電子學#138452
115年 · #138452
115年 - 115 國營臺灣鐵路股份有限公司從業人員_甄試試題_第10階-助理技術員-電力、電務:電子學概要#138261
115年 · #138261
114年 - 114 地方政府公務特種考試_三等_電力工程、電子工程、電信工程:電子學#134800
114年 · #134800
114年 - 114 地方政府公務特種考試_四等_電力工程、電子工程、電信工程:電子學概要#134742
114年 · #134742
114年 - 114 專技高考_電子工程技師:電子學#133712
114年 · #133712
114年 - 114 公務升官等考試_薦任_電力工程、電子工程、電信工程:電子學#133247
114年 · #133247
114年 - 114 原住民族特種考試_四等_電子工程:電子學概要#130947
114年 · #130947
114年 - 114 專技高考_專利師(選試專業英文及電子學)、專利師(選試專業日文及電子學):電子學#130110
114年 · #130110
114年 - 114 普通考試_電力工程、電子工程、電信工程:電子學概要#128790
114年 · #128790
114年 - 114 高等考試_三級_電力工程、電子工程、電信工程:電子學#128768
114年 · #128768