阿摩線上測驗
登入
首頁
>
電子學
>
101年 - 101 鐵路特種考試_高員三級_電力工程、電子工程:電子學#44957
> 申論題
題組內容
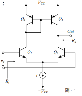
一、圖一為主動負載差動放大器,電流源為I=0.2 mA,若電晶體的電流放大倍數β=200 及Early電壓為V
A
=100 V,試求:
⑷開路電壓增益A
vo
(5 分)
相關申論題
⑴輸入阻抗Ri(5 分)
#149811
⑵互導Gm(5 分)
#149812
⑶輸出阻抗Ro(5 分)
#149813
⑴試求轉移函數 T(s)=?(10 分)
#149817
⑴請繪輸出與輸入vo-vI轉換曲線。(7 分)
#149819
⑵求出二極體的最大電流iDmax。(6 分)
#149820
⑶若在圖三電路中,去除之R1,並令R2短路,請繪輸出與輸入vo-vI轉換曲線。(7 分)( 以上座標均需標示大小數量)
#149821
⑴求出二極體電流與電壓關係(ID-VD)方程式中之材料物理常數n。(8 分)
#149822
⑵若欲使輸出電壓V=50 mV,試求I1=?(7 分)及R=?(5 分)
#149823
6. 已知下圖疊接放大電路之MOSFET參數K₁=K₂=0.5mA/V²,靜態汲極電流ID為0.5mA,則電路之gm為?
#566892
相關試卷
115年 - 115-1 臺北市立大安高工教師甄選試題_電子/控制科:電子學#138452
115年 · #138452
115年 - 115 國營臺灣鐵路股份有限公司從業人員_甄試試題_第10階-助理技術員-電力、電務:電子學概要#138261
115年 · #138261
114年 - 114 地方政府公務特種考試_三等_電力工程、電子工程、電信工程:電子學#134800
114年 · #134800
114年 - 114 地方政府公務特種考試_四等_電力工程、電子工程、電信工程:電子學概要#134742
114年 · #134742
114年 - 114 專技高考_電子工程技師:電子學#133712
114年 · #133712
114年 - 114 公務升官等考試_薦任_電力工程、電子工程、電信工程:電子學#133247
114年 · #133247
114年 - 114 原住民族特種考試_四等_電子工程:電子學概要#130947
114年 · #130947
114年 - 114 專技高考_專利師(選試專業英文及電子學)、專利師(選試專業日文及電子學):電子學#130110
114年 · #130110
114年 - 114 普通考試_電力工程、電子工程、電信工程:電子學概要#128790
114年 · #128790
114年 - 114 高等考試_三級_電力工程、電子工程、電信工程:電子學#128768
114年 · #128768