阿摩線上測驗
登入
首頁
>
教甄◆電子科/資訊科/電機科/冷凍空調科/控制科/電機空調科
>
115年 - [無官方正解]115 臺北市立松山高級工農職業學校_正式教師甄選試題:電子科、資訊科#139072
> 申論題
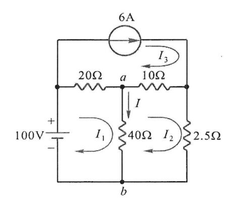
1.如圖所示電路,試求電流 \( I_{out} \) = ___ A
相關申論題
2.如圖所示電路,\( V_1=60\sin(t) \),\( V_2=60\sin(t+60°) \),\( V_3=80\sin(3t) \),試求5Ω電阻所消耗的平均功率 \( P_{5\Omega} \) = ___ W
#570757
3.如圖所示電路,這所有電晶體Q1、Q2、Q3的參數 \( V_t=1V \),\( \mu_n C_{ox}=20mA\/V^2 \),電晶體參數 \( K = \frac{1}{2} \mu_n C_{ox} \frac{W}{L} \)。已知電路正常工作時,穩態電流I=40mA,\( V_1=5V \),\( V_2=3V \),試求三個電晶體的通道寬長比 \( (W\/L)_1 : (W\/L)_2 : (W\/L)_3 \) = ___
#570758
4.如圖所示電路,若 \( \beta_1 = \beta_2 = 50 \),\( r_{\pi 1} = r_{\pi 2} = 1k\Omega \),已知輸入電壓為 \( v_s(t) = 0.1\sin \omega t \) (mV),試求輸出電壓 \( v_o(t) \) = ___
#570759
5.如圖所示電路,OPA為理想運算放大器,若 \( R_1=20k\Omega \),\( R_2=40k\Omega \),\( R_3=10k\Omega \),\( C=0.01\mu F \),試求 \( V_{o1} \) 及 \( V_{o2} \) 的波形為 ___。若OPA輸出飽和電壓 \( V_{sat}=\pm 12V \),試求其 \( V_{o1} \) 的峰對峰值為 ___ V
#570760
6.如圖所示電路,OPA為理想運算放大器,其電壓增益 \( A_V \) 約= ___
#570761
7.如圖所示電路,如圖所示之數位邏輯電路,其輸出 Y = ___
#570762
5. 請簡要說明 RESTful API 的核心概念,並比較 RESTful 的 HTTP 方 法(GET、POST、PUT、PATCH、DELETE)在操作資源時的差異,以處理使用者資料(包含新增、刪除、查詢、修改)的應用情境說 。
#542393
(4) git merge
#542392
(3) git branch
#542391
(2) git push
#542390
相關試卷
115年 - [無官方正解]115 臺北市立松山高級工農職業學校_正式教師甄選試題:電子科、資訊科#139072
115年 · #139072
114年 - 114 高雄市市立高級中等學校聯合教師甄選試題:資料處理科#127345
114年 · #127345
114年 - 114 高雄市市立高級中等學校聯合教師甄選試題:電子科#127344
114年 · #127344
114年 - 114 高雄市市立高級中等學校聯合教師甄選試題:電機科#127337
114年 · #127337
114年 - 114 高雄市市立高級中等學校_聯合教師甄選:資訊科#127273
114年 · #127273
114年 - 114 教育部受託辦理_公立高級中等學校教師甄選試題:資訊科#126955
114年 · #126955
114年 - 114 臺北市松山工農_正式教師甄選﹕電子科與資訊科#126907
114年 · #126907
114年 - 114 新北市高級中等學校_教師聯合甄選試題:資訊、電子科#126872
114年 · #126872
114年 - 114 新北市高級中等學校_教師聯合甄選試題:控制科、電機科#126871
114年 · #126871
114年 - 114-1 臺北市立大安高級工業職業學校_教師甄選筆試試題_電子科:數位邏輯設計#126488
114年 · #126488