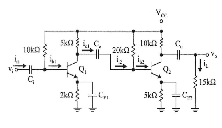
4.如圖所示電路,若 \( \beta_1 = \beta_2 = 50 \),\( r_{\pi 1} = r_{\pi 2} = 1k\Omega \),已知輸入電壓為 \( v_s(t) = 0.1\sin \omega t \) (mV),試求輸出電壓 \( v_o(t) \) = ___
4.如圖所示電路,若 \( \beta_1 = \beta_2 = 50 \),\( r_{\pi 1} = r_{\pi 2} = 1k\Omega \),已知輸入電壓為 \( v_s(t) = 0.1\sin \omega t \) (mV),試求輸出電壓 \( v_o(t) \) = ___