阿摩線上測驗
登入
首頁
>
電子學
> 100年 - 100 原住民族特種考試_四等_電子工程:電子學概要#45323
100年 - 100 原住民族特種考試_四等_電子工程:電子學概要#45323
科目:
電子學 |
年份:
100年 |
選擇題數:
0 |
申論題數:
12
試卷資訊
所屬科目:
電子學
選擇題 (0)
申論題 (12)
⑴求此一電路的增益 G = v
o
/ v
i
。(10 分)
⑵求此一電路的輸入阻抗。(10 分)
⑴理想二極體。(7 分)
⑵理想二極體 + 跨壓 0.7 V。(7 分)
⑶理想二極體 + 跨壓 0.7 V + 內阻 10 Ω。(6 分)
【已刪除】 ⑵
【已刪除】 ⑶
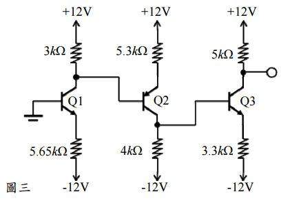
【已刪除】三、假設所有電晶體的 | V
BE
|= 0.7V 與 β = ∞ ,分別求出圖三中三個電晶體的集極電壓 (V
C1
、V
C 2
、V
C 3
)與集極電流( I
C1
、 I
C 2
、 I
C 3
)。(20 分)
⑴使用一個電容與一個電阻,設計一個一階的高通濾波電路,畫出電路圖,並以 R、 C 為參數,寫出電路的 -3dB 截止頻率的公式。(10 分)
⑵使用一個電感與一個電阻,設計一個一階的低通濾波電路,畫出電路圖,並以 R、 L 為參數,寫出電路的 -3dB 截止頻率的公式。(10 分)
⑴推導出此一電路的磁滯電壓,V
H +
與V
H −
。(10 分)
⑵若希望磁滯電壓可以在( ± 0.5V ~ ±3V )區間調整,可將 R
2
換成為一個可變電阻, 推導出此一可變電阻的最小阻值變化範圍( R
min
~ R
max
)。(10 分)
相關試卷
115年 - 115-1 臺北市立大安高工教師甄選試題_電子/控制科:電子學#138452
115年 · #138452
115年 - 115 國營臺灣鐵路股份有限公司從業人員_甄試試題_第10階-助理技術員-電力、電務:電子學概要#138261
115年 · #138261
114年 - 114 地方政府公務特種考試_三等_電力工程、電子工程、電信工程:電子學#134800
114年 · #134800
114年 - 114 地方政府公務特種考試_四等_電力工程、電子工程、電信工程:電子學概要#134742
114年 · #134742
114年 - 114 專技高考_電子工程技師:電子學#133712
114年 · #133712
114年 - 114 公務升官等考試_薦任_電力工程、電子工程、電信工程:電子學#133247
114年 · #133247
114年 - 114 原住民族特種考試_四等_電子工程:電子學概要#130947
114年 · #130947
114年 - 114 專技高考_專利師(選試專業英文及電子學)、專利師(選試專業日文及電子學):電子學#130110
114年 · #130110
114年 - 114 普通考試_電力工程、電子工程、電信工程:電子學概要#128790
114年 · #128790
114年 - 114 高等考試_三級_電力工程、電子工程、電信工程:電子學#128768
114年 · #128768