阿摩線上測驗
登入
首頁
>
電子學
>
100年 - 100 原住民族特種考試_四等_電子工程:電子學概要#45323
> 申論題
題組內容
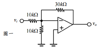
一、圖一所示為一個放大器電路,假設其中的 OP Amp 為理想的。
⑴求此一電路的增益 G = v
o
/ v
i
。(10 分)
相關申論題
⑵求此一電路的輸入阻抗。(10 分)
#152118
⑴理想二極體。(7 分)
#152119
⑵理想二極體 + 跨壓 0.7 V。(7 分)
#152120
⑶理想二極體 + 跨壓 0.7 V + 內阻 10 Ω。(6 分)
#152121
⑴使用一個電容與一個電阻,設計一個一階的高通濾波電路,畫出電路圖,並以 R、 C 為參數,寫出電路的 -3dB 截止頻率的公式。(10 分)
#152125
⑵使用一個電感與一個電阻,設計一個一階的低通濾波電路,畫出電路圖,並以 R、 L 為參數,寫出電路的 -3dB 截止頻率的公式。(10 分)
#152126
⑴推導出此一電路的磁滯電壓,VH + 與VH − 。(10 分)
#152127
⑵若希望磁滯電壓可以在( ± 0.5V ~ ±3V )區間調整,可將 R2 換成為一個可變電阻, 推導出此一可變電阻的最小阻值變化範圍( Rmin ~ Rmax )。(10 分)
#152128
6. 已知下圖疊接放大電路之MOSFET參數K₁=K₂=0.5mA/V²,靜態汲極電流ID為0.5mA,則電路之gm為?
#566892
5. 如圖所示電路,Vi=3.77cos377tV,R=100kΩ,C=1μF,電容電壓初值為零,則輸出電壓Vo為?
#566891
相關試卷
115年 - 115-1 臺北市立大安高工教師甄選試題_電子/控制科:電子學#138452
115年 · #138452
115年 - 115 國營臺灣鐵路股份有限公司從業人員_甄試試題_第10階-助理技術員-電力、電務:電子學概要#138261
115年 · #138261
114年 - 114 地方政府公務特種考試_三等_電力工程、電子工程、電信工程:電子學#134800
114年 · #134800
114年 - 114 地方政府公務特種考試_四等_電力工程、電子工程、電信工程:電子學概要#134742
114年 · #134742
114年 - 114 專技高考_電子工程技師:電子學#133712
114年 · #133712
114年 - 114 公務升官等考試_薦任_電力工程、電子工程、電信工程:電子學#133247
114年 · #133247
114年 - 114 原住民族特種考試_四等_電子工程:電子學概要#130947
114年 · #130947
114年 - 114 專技高考_專利師(選試專業英文及電子學)、專利師(選試專業日文及電子學):電子學#130110
114年 · #130110
114年 - 114 普通考試_電力工程、電子工程、電信工程:電子學概要#128790
114年 · #128790
114年 - 114 高等考試_三級_電力工程、電子工程、電信工程:電子學#128768
114年 · #128768