所屬科目:教甄◆建築科/土木科
3.一平面切割直立圓錐時,如圖所示可得(A)雙曲線 (B)橢圓 (C)正圓 (D)拋物線
5.如圖之三視圖中,有一平面XYZ斜截其右上方前面之一角,請選出被截角後物體之等角 圖 (A) (B) (C) (D)
10.下列對混凝土強度特性之敘述何者正確?(A)混凝土之水灰比越高,則強度越強 (B)水泥之比表面積與混 凝土之抗壓強度成反比 (C)一般混凝土7天強度約為28天強度之 (D)早期養護溫度較高,則其混凝土強度會降低。
11.有關木材之敘述,下列何者錯誤?(A)木材收縮程度以平紋方向最大,邊紋方向次之 (B)木材收縮程度以 纖維方向最小 (C)木材通常邊材之收縮率較心材為大 (D)如圖所示為正確的木材乾燥收縮後圖形。
12.砂經篩分析後秤得各篩停留重(g)如下,試求該細骨材之F.M為多少?(A)3.04 (B)2.85 (C)2.97 (D)3.01
14.如圖(一)所示,長方形物體重量為W,其與地板間之摩擦係數為µ,則驅使物體發生滑動而不轉動之條件 為何?(A)PH < Wb/2 且 P < µW (B) PH > Wb/2 且 P > µW (C) PH < Wb/2 且 P > µW (D) PH > Wb/2 且 P < µW 。
17.如圖(二)所示,一均勻斷面梁(EI=常數)在C端受一P力作用,試問C點之變位大小為何?(A) PL3 /4EI (B)5PL3 /4EI (C)PL3 /8EI (D)5PL3 /8EI 。
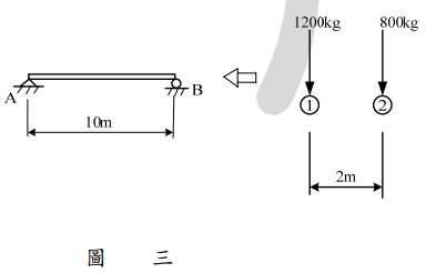
18.一簡單支承樑承受移動之負荷如圖(三)所示,下列敘述何者錯誤?(A)最大彎曲力矩發生在負荷① ,亦即 1200kg之作用處 (B)距離A點右方4.6m處有最大彎矩發生 (C)最大彎矩為4968kg-m (D)最大剪力發生在A 點支承處。
20.求圖之桁架中桿件de之內力為(令拉力為正,壓力為負) (A) 0 kN (B) 37.5 kN (C) 50 kN (D) 75 kN
四、如圖所示,截面尺寸b = 180 mm,t = 12 mm,h = 600 mm,h1 = 570 mm之對稱寬翼梁。已知承受剪力V = 30000 kg, 請求腹板中之最大及最小剪應力。(10 分)
五、一矩形截面的銅棒,如圖所示,左右由二剛體所支承,當棒之溫度增高 60℃時,決定元體A及B每一邊上的應力, 並將結果標註於元體圖上。(假設)(10 分)
六、請畫出立體圖(8 分)