所屬科目:統測◆04電機與電子群資電類◆(二)數位邏輯、數位邏輯實習、電子學實習、計算機概論
1. 如圖(一)所示,CLK輸入為 1KHz 脈波信號,其中 CLR 和 PR 接腳皆為低態動作,請問 輸出 Q 的頻率為何?(A)2KHz (B) 1KHz (C) 500Hz (D) 0Hz
2. 當 CLK 為 1KHz 時,以下哪個正反器的輸出不是 500Hz? (A) (B) (C) (D)
3. 有一計數器之狀態表如圖(二),請問其對應之狀態圖為何? (A) (B) (C) (D)
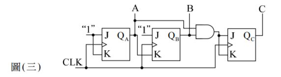
4. 如圖(三)之計數器,假設初始狀態為 000,請問計數模數為何? (A) 4 (B)5(C)6(D)8
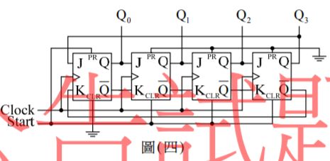
5. 如圖(四),當 Start 信號由〝1〞變成〝0〞後,若輸入 Clock 的頻率為 10KHz 之方波, 下列敘述何者不正確? (A) Q0輸出頻率為2.5KHz (B) Q1輸出頻率為2.5KHz (C) Q0輸出波形之工作週期為 50% (D) Q1輸出波形之工作週期為 25%
7. 就基本邏輯閘 NAND閘如圖(五)所示,其中 A、B為輸入,F為輸出,則下列何者不正確? (A) (B) (C) (D)
8. 下列布林代數式之中,何者為正確? (A) A● A=1 (B) A ●1=A (C) A+0=0 (D) A+1=A
9. 下列布林代數式中,何者之結果不等於 A? (A) A+A● B (B) A●( A+B ) (C) A+A (D) 1+
10. 化簡布林代數為最簡的和項積(POS),可得下列何 式? (A) (B) (C) (D)
11. 若使用 1284 位元 ROM 的 IC,組成 256✕8 位元的 ROM,需要 X 個 IC,所完成的 ROM 可有 Y 條位址線及 8 條資料線,請問 X✖Y 為何? (A) 32 (B) 36 (C) 40 (D) 44
12. 若有一布林代數之輸入與輸出真值表如圖 ( 六 ) ,請問布林函數 F 的最簡積項和 ( SOP ) 為何? (A)(B) (C) (D)
13. 如圖(七)所示之 4對 1 多工器設計一全加器( FA ),其中 A 為被加數,B 為加數,Ci 為 進位輸入,S 為和,Co 為進位輸出,請問 x, y 應分別輸入何值? (A)(B) x =1, y =1 (C) x = 0 , y = 0 (D)
17. 如圖(八)之 2 對 4 線解碼器,若其輸入為 A 與 B,輸出為Y0 到Y3,則下列何者為Y2 之輸出 結果? (A) (B) (C) (D)
18. 如圖(九)所示之 2 對 1 多工器,若其輸入線為 A 與 B、選擇線為 S,則其輸出 Y 為何? (A) (B) (C) (D)
19. JK 正反器中,若兩輸入訊號 J=1,K=1 及輸出信號為Qn時,當 CLK 時脈訊號觸發一次 動作後,則其輸出信號為何? (A) Qn (B) 1 (C) 0 (D)
22. 有一 ABCD 四邏輯閘線路如圖(十)所示,各個輸入邏輯狀態及量測所得的邏輯狀態分別 標示於圖中,請問哪一個邏輯閘的功能不正確? (A) A (B) B (C) C (D) D
23. 如圖(十一)之邏輯電路,下列何者為其真值表? (A) (B) (C) (D)
24. 如圖(十二)為利用一個 7483( 4 位元全加器)及四個互斥或閘,實現一個四位元加減法器 之電路,若此加減法器欲執行『減法』,則 M 及 C0的輸入須為何? (A) M=0,C0=0 (B) M=0,C0=1 (C) M=1,C0=0 (D) M=1,C0=1
28. 圖(十三)所示之電路為何種電路架構? (A) 串聯負截波電路 (B) 串聯正截波電路 (C) 並聯負截波電路 (D) 並聯正截波電路
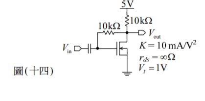
32. 圖 ( 十四 ) 為 NMOS FET 之放大器電路,汲極電流。設 NMOS FET 之汲源極小訊號電阻 r dd= ∞ Ω,臨界電壓Vt =1 V。若忽略輸入端的直流阻絕 電容,則此電路的小訊號低頻電壓增益為何? (A) -4 (B) -9(C) -14 (D) -19
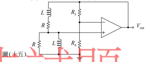
34. 圖(十五)為類似韋恩電橋的振盪電路,若 L =100 Hμ ,R=628Ω,R3 = 3 kΩ,R4 = 1 kΩ, 請問此電路的振盪頻率約為多少? (A) 1MHz (B) 500kHz (C) 100kHz (D) 50kHz
35. 就圖(十六)共射極放大電路的工作點而言,何者電路方程式為不正確? (A) (B) (C) (D)
36. 圖(十七)所示射極回授偏壓電路中,假設 ,且VCC遠大於VBE ,則偏壓電流I B約 為何? (A) (B) (C) (D)
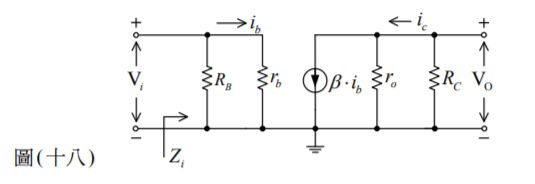
37. 圖(十八)是共射極放大電路的交流等效電路,則輸入阻抗Zi為何? (A) (B) (C) (D)
38. 圖(十九)共射極放大電路的交流等效電路中,電流增益 為何? (A) β (B) -β (C) (D)
39. R-L-C串聯諧振電路產生諧振時,下列敘述何項不正確? (A) 總阻抗約等於電阻值 (B) 線路電流為最小 (C) 線路品質因數(Quality Factor)為 (D) 諧振頻率為
41. 圖(二十)為使用三伏特表法之交流電功率測量電路,其中水泥電阻R2 之值介於20Ω ~30Ω 間,電壓表之指示為,請問其功率因數 PF(Power Factor) 為何? (A) 4/ 5 (B) 1 (C) 1/ 4 (D) 3/ 4
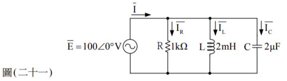
42. 如圖(二十一)所示電路中,若電路產生諧振,下列計算值何者正確? (A) 並聯諧振頻率為 100kHz (B) 電路之平均功率 P=10W (C) 品質因數(Quality Factor)為 100 (D) 並聯諧振頻率為 1kHz
43. 設一電容器上的標示為" 330K",請問其電容量約是多少法拉? (A) (B) (C) (D)
44. 如圖(二十二)所示之電路中,當開關 S 閉合經過一段長時間達到穩態後,1μF 電容器上的 電壓為何? (A) 0.6V(B) 0.8V (C) 1V (D) 1.2V
45. 有一四色色碼電阻,各色環依次為"棕綠紅金",請問其電阻值為何? (A) 150Ω±10% (B) 1500Ω± 5% (C) 120Ω±10% (D) 1200Ω± 5%
46. 使用指針型三用電表在量測電阻時,下列敘述何者不正確? (A) 若欲量測焊在電路板上某個電阻的阻值,先將三用電表調至 Ω 檔位並歸零後,再將 兩支探棒碰觸電阻兩端,進行量測 (B) 量測未知單一電阻的阻值,電阻檔位倍率通常有✖1、✖10、✖100、✖1k、✖10k,測量值 即等於刻度值乘檔位倍率 (C) 檔位範圍選擇宜以指針指在中央附近為最佳 (D) 三用電表若無 OFF 檔,在使用後檔位需轉至 ACV 或 DCV 處,以免消耗電池電量