阿摩線上測驗
登入
首頁
>
交通控制
> 101年 - 101 專技高考_交通工程技師:交通控制#23526
101年 - 101 專技高考_交通工程技師:交通控制#23526
科目:
交通控制 |
年份:
101年 |
選擇題數:
0 |
申論題數:
5
試卷資訊
所屬科目:
交通控制
選擇題 (0)
申論題 (5)
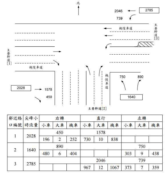
【已刪除】一、請根據下列獨立路口簡圖與表的路口資料設計一定時號誌(Pre-timed Signal),不 限設計方法,請自行假設不足資料,請詳列演算流程與計算步驟。(25 分) [參考資料]Webster 時制計算公式:
Y
i
:時相i中,最大流量對飽和流量的比值,i= 1,2,3…..n
Y:Y
i
的總和 L:每一週期的總損失時間(秒)
C
o
:最佳週期長度(秒)
二、請說明交通管理中心(Traffic Management Center, TMC)的任務與應具備的功能, 並請說明交通管理中心常見資料蒐集的方式與提供的服務。並請具體說明應如何評 估管理中心的績效。(25 分)
(一)匝道儀控可分成那些型式,優缺點為何?(10 分)
(二)交通感應式匝道儀控(traffic-responsive ramp metering)儀控率(metering rate) 如何決定?(15 分)
四、在人本交通的考慮下,尊重行人與自行車已是重要的課題,請列舉三項交通控制與 管理的措施來強化行人與自行車的安全,並請提出這些措施的評估方式。(25 分)
相關試卷
114年 - 114 專技高考_交通工程技師:交通控制#133643
114年 · #133643
114年 - 114 公務升官等考試_薦任_交通技術:交通控制#133148
114年 · #133148
113年 - 113 專技高考_交通工程技師:交通控制#123856
113年 · #123856
112年 - 112 專技高考_交通工程技師:交通控制#117633
112年 · #117633
112年 - 112 公務升官等考試_薦任_交通技術:交通控制#117174
112年 · #117174
111年 - 111 地方政府特種考試_三等_交通技術:交通控制#112377
111年 · #112377
111年 - 111 地方政府特種考試_四等_交通技術:交通控制概要#112288
111年 · #112288
111年 - 111 專技高考_交通工程技師:交通控制#111805
111年 · #111805
110年 - 110 地方政府特種考試_四等_交通技術:交通控制概要#104679
110年 · #104679
110年 - 110 地方政府特種考試_三等_交通技術:交通控制#104610
110年 · #104610