所屬科目:A.電工原理、B.機械常識
12.影響刀具壽命的最主要的因素是切削速度;有一切削實驗,結果可以 = 0.5表示,其中 V 為切削速度,T 為 刀具壽命,C 為常數;若切削速度增為原來的 3 倍,則刀具壽命為原來的幾倍? (A) 1/9 (B) 1/3 (C) 3 (D) 9
15.若一運動物體之速度隨時間之變化情形如【圖 15】所示,則此物體做何種運動? (A)簡諧運動 (B)等速度運動 (C)等加速度運動 (D)變加速度運動
18.行星輪系如【圖 18】所示,A、B、C 三輪之齒數分別為 75、25、50,若旋臂 m 逆時針 2 轉,A 輪順時針 6 轉 時,則 B、C 兩輪之轉數與轉向各為:(假設順時針正,逆時針為負) (A) =-23、=-7 (B) =+17、=-13 (C) =-26、=+10 (D) =-26、=-10
24.如【圖 24】所示之斜面為完全光滑之滑動面,則其機械利益為多少?(A) 5/3 (B) 3/5 (C) 5/4 (D) 4/5
32.如【圖 32】所示之機構,若不計摩擦損失,欲吊起 W=1000 N 之物體,則施力 F 至少需大於多少 N? (A) 125 (B) 150 (C) 200 (D) 250
34.均勻且均質之 AB 桿重 24 N,受外力如【圖 34】所示之樑,試求支點 B 之反力 RB為多少 N? (A) 64 (B) 57 (C) 49(D) 35
38.如【圖 38】所示之桿,其斷面為邊長 20 mm 的正方形,承受一拉力 P=80 kN 作用,則 n n - 截面上之剪應力大 小為多少 MPa?(n-n 截面與 m-m 垂直線之夾角為 15°) (A) 200 (B) 100 (C) 86.6 (D) 50
48.如【圖 48】所示,L1 =4 H,L2 =3 H,M =2 H,則為多少? (A) 1 亨利 (B) 3 亨利 (C) 9 亨利 (D) 11 亨利
50.交流正弦波之波形因數(form factor)為多少? (A) (B) (C)(D)
52.【圖 52】中,電路之消耗功率為多少? (A) 900 W (B) 1200 W (C) 1600 W (D) 2400 W
54.如【圖 54】所示之電路,試求電阻 2O 之端電壓為多少? (A) 20 V (B) 40 V (C) -80 V (D) 80 V
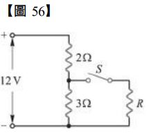
56.如【圖 56】所示之電路,當開關 S 閉合後,3Ω電阻器的電壓降從 7.2 V 降為 6 V,則電阻器 R 的電阻值為多少? (A) 6Ω (B) 5Ω (C) 4Ω(D) 3Ω
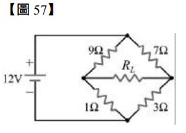
57.如【圖 57】所示電路,求電阻可獲得最大功率時的電阻值為多少? (A) 1O (B) 3O (C) 7O (D) 10O
58.如【圖 58】所示,求 a、b 兩點之諾頓等效電阻及諾頓等效電流各為多少? (A) =12O,=3A (B) =9O,=7A (C) =9O,=3A (D) =12O,= 7A
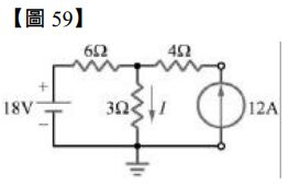
59.如【圖 59】所示,流經 3 O 之電流為多少? (A) 5 A (B) 8 A (C) 14 A (D) 10 A
62.如【圖 62】所示,電路 S 閉合很久達穩定後,試求電感器儲存之能量為多少? (A) 0.4 焦耳 (B) 1 焦耳 (C) 2 焦耳 (D) 4 焦耳
63.某交流電路 i(t) = 10cos(ωt - 60° )A , v(t) = 5sin(ωt + 30°)V,則其電流與電壓關係為何? (A)兩者同相位 (B)電流滯後電壓 30° (C)電流越前電壓 30° (D)電流滯後電壓 90°
64.如【圖 64】所示電路,若以一理想交流伏特表測得 =40 V,=60 V,=30 V,則電源為多少? (A) 50 V (B) 70 V (C) 90 V (D) 130 V