所屬科目:A.電工原理、B.機械常識
5.如【圖 5】所示,圖(b)為圖(a)的等效電路,則其 RTH與 ETH分別為多少?(A) RTH =12/11 Ω、ETH = 2.4 V (B) RTH =4/3 Ω、ETH = 8 V (C)RTH =4 Ω、ETH = 6 V (D) RTH =8/3 Ω、ETH = 4 V
7.下列電路符號何者為熱敏電阻? (A) (B) (C)(D)
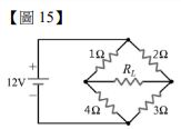
15.如【圖 15】所示電路,求電阻 RL可獲得最大功率時的電阻值為多少?(A) 1 Ω (B) 1.5 Ω (C)2 Ω (D) 10 Ω
16.如【圖 16】所示,求 a、b 兩點之諾頓等效電阻 RN及諾頓等效電流 IN各為多少?(A) RN=12 Ω,IN=3 A (B) RN=9 Ω,IN=3 A (C)RN=9 Ω,IN=7 A (D) RN=12 Ω,IN=7 A
19.如【圖 19】所示,L1 =5 H,L2 =4 H,M =2 H,則 Lab為多少?(A) 5 亨利 (B) 7 亨利 (C)11 亨利 (D) 13 亨利
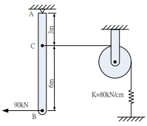
34.如【圖 34】所示之結構,B 點受水平向左 90 kN 的拉力,C 點連接水平方向的索線,並繞過無摩擦的滑輪再連 接於彈簧常數 K=80 kN/cm 的彈簧;若不考慮 AB 桿件的自重,則系統欲求得平衡,應將 B 點向左拉動多少 cm?(A) 6.225 (B) 8.755 (C)10.125 (D) 12.415
42. R-L-C 串聯電路,如【圖 42】所示電路之總阻抗為多少? (A) 6 Ω (B) 10 Ω (C)14 Ω (D) 22 Ω
43.如【圖 43】所示電路,若以一理想交流伏特表測得 VR = 80 V,VL = 20 V,VC = 80 V,則電源為多少(A) 20 V (B) 80 V (C)100 V (D) 200 V
45.如【圖 45】所示,電路之消耗功率為多少?(A) 900 W (B) 1000 W (C)1200 W (D) x104 W
50.如【圖 50】所示電路,若 L1 = 6 H,L2= 10 H,兩線圈的互感 M =2 H,求並聯總電感為多少?(A) 2.3 H (B) 2.8 H (C)12 H (D) 20 H
51.有一 60 Hz 交流正弦波,啟始值為 0°在經過秒瞬間,此時的電工角為多少? (A) 30° (B) 45° (C)60° (D) 90°