所屬科目:A.電工原理、B.機械常識
9.如右圖所示,I之值為? (A)0.08A (B)0.5A (C)1A (D)2A
10.如右圖,I與I1之值為? (A)I=0.42A,I1=0A (B)I=0.45A,I1=0.4A (C)I=0.85A,I1=0.4A (D)I=0.85A,I1=0.2A
11.如右圖所示,電壓V1= ? (A) 2V (B) 4V (C) 5V (D) 8V
12.如右圖所示,則電流I2為多少? (A) 6A (B) 8A (C) 9A (D) 10A
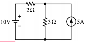
13.如右圖所示,電路中之I值為多少? (A) 8A (B) 6A (C) 1A (D) 0A
14.如右圖所示,求6Ω兩端電壓為多少?(A) 12V (B) 15V (C) 18V (D) 21V
15.如右圖所示,則戴維寧等效電阻Rab ? (A) 7Ω (B) 8Ω (C) 9Ω (D) 10Ω
16.如右圖所示,3Ω電阻消耗功率為多少W? (A) 4W (B) 12W (C) 48W (D) 147W
21.如右圖所示,若電路已達穩定,則電容上之電壓vC值為 (A) 10V (B) 7 V (C) 5V (D) 0V
22.如右圖所示,開關S接通瞬間,流經2Ω的 電流是多少? (A) 1A (B) 2A (C) 2.5A (D) 3A
23.若電壓,電流 ,則下列何者正確? (A) e超前i 90° (B) e滯後i 90° (C) e超前i 180° (D) e與i同相
26.如右圖所示之電路為何種濾波器? (A)低通濾波器 (B)高通濾波器 (C)帶通濾波器 (D)帶止濾波器
28.有一電路其電壓為 =30+ j40V、電流= 4-j3 A,則電路的視在功率及有效功率分 別為 (A)0VA,250W (B)250VA,0W (C)250VA,200W (D)500VA,0W
29.R-L-C串聯電路,已知諧振頻率,則其頻帶寬度為? (A) 5 (B) 10 (C) 100 (D) 1000
31.有一交流電路的電壓 、電流 , 求此電路的無效功率為多少? (A) 500 VAR (B) 866 VAR (C) 1000 VAR (D) 2000 VAR
34.三相發電機△連接,下列特性何者正確? (A)線電壓=相電壓 (B)線電流=相電流 (C)線電壓=√ 3相電壓 (D)線電流= 相電流
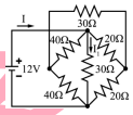
1. 如右圖所示,試求I3為(1) _________安培
2. 如右圖所示,c點的電位為(2)___________V
3. 如右圖所示,則戴維寧等效電壓Vab= (3) _____V。
5. 某三相△型平衡負載之相阻抗,線電壓為240V,則此負載消耗總有效功率 為 (5) 瓦特。