所屬科目:A.電工原理、B.機械常識
3. 單位長度的銅線,當銅線的直徑變為原來的兩倍時,電阻值變為原來的: (A) 倍 (B) 倍 (C) 2倍 (D) 4倍
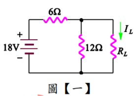
4. 如圖【一】所示電路,RL兩端的戴維寧等效電路為: (A) ETh=12V,RTh=6Ω (B) ETh=6V,RTh=12Ω (C) ETh=4V,RTh=4Ω (D) ETh=12V,RTh=4Ω
7. 如圖【二】所示電路,b、c兩端電壓Vbc為: (A) 20V (B) 40V (C) 60V (D) 80V
8. 如圖【三】所示電路,求 I 之值為多少? (A) 1A (B) 2A (C) 3A (D) 4A
9. 如圖【四】所示電路,試求電路之電壓調整率為何? (A) 10% (B) 15% (C) 20% (D) 25%
10. 如圖【五】所示電路,試求a、b 兩點間的電阻為多少? (A) 5Ω (B) 4Ω (C) 3Ω (D) 2Ω
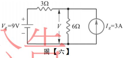
11. 如圖【六】所示電路,利用戴維寧定理、重疊定理,求流過6Ω的電壓V和電流I各為多少? (A) 44V,11A (B) 33V,11A (C) 12V,2A (D) 55V,11A
13. 如圖【七】所示電路,試求 V 為多少伏特? (A) 7.2(B) 14.4 (C) 21.6 (D) 28.8
19. 如圖【八】所示電路,求電流 I 為多少?
(A)3A (B)4A (C)5A (D)6A
20. 如圖【九】所示電路,各電阻均相同,當開關K未按下時,通過電池的電流為0.6安培, 當K按下後,則通過電池的電流為多少? (A)0.2A (B)0.4A (C)0.9A (D)1.2A
22. 如圖【十】所示電路, a 、b 兩端之戴維寧等效電路的 RTh 為多少? (A)1Ω (B)2Ω (C)4Ω (D)8Ω
23. 如圖【十一】所示電路,流經5 Ω 電阻之電流 I 為多少? (A) - 30A (B) - 15A (C)10A (D)15A
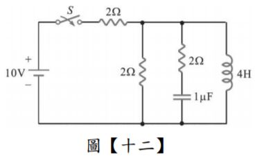
25. 如圖【十二】所示電路,開關原在打開狀態,電容上的電壓為0V,電感上的電流為0A, 今將開關S閉合,試問開關在閉合瞬間,電源電流之值為多少? (A)0A (B)無限大 (C)5A (D)3.33A
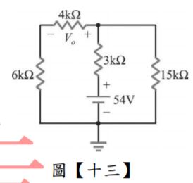
2. 如圖【十三】所示電路,求電壓Vo為________伏特。
3. 如圖【十四】所示電路,求電流I之值等於________安培。
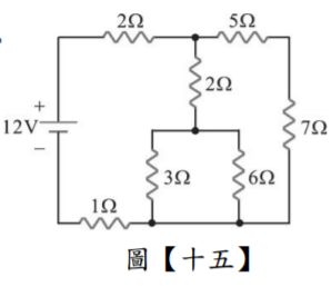
5. 如圖【十五】所示之電路,則通過3Ω電阻之電流為________安培。