所屬科目:A.電工原理、B.機械常識
3. 如圖【一】所示,b點之電位為多少V: (A) 0V (B) 12V (C) 20V (D) 60V
5. 如圖【二】,求?ab值為多少? (A) 6Ω (B) 8Ω (C) 10Ω (D) 12Ω
6. 如圖【三】所示電路,負載電阻RL為多少時,可獲得最大功率? (A) 1Ω (B) 2Ω (C) 3Ω (D) 6Ω
7. 如圖【四】所示電路中,所能獲取的最大功率為若干? (A) 3.2W (B) 3.6W (C) 3.8W (D) 4W
8. 如圖【五】所示之電路,電阻可得之最大功率為多少瓦特? (A) 36W (B) 27W (C) 18W (D) 9W
9. 如圖【六】所示電路,a、b兩端之戴維寧等效電壓為多少? (A)-12V (B)-1V (C) 5V (D) 12V
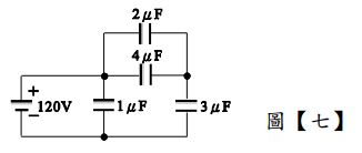
10. 如圖【七】所示,3μF電容器儲存之能量為: (A)焦耳 (B)焦耳 (C)焦耳 (D)焦耳
11. 如圖【八】所示,⊗代表一導體且其電流流入紙面,則導體受力方向為何? (A)向上 (B)向下 (C)向左 (D)向右
12. 如圖【九】所示,電路達穩定狀態,則電流i應接近於多少? (A) 6mA (B) 5mA (C) 10mA (D) 15mA
13. 如圖【十】所示,R=6kΩ,C=1μF,則時間常數為多少? (A) 1ms (B) 4ms (C) 9ms (D) 36ms
14. 如圖【十一】所示,則穩定時iout為多少? (A) (B) (C)(D)
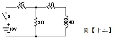
15. 如圖【十二】所示,開關S在接通瞬間,流經2Ω的電流為多少? (A) 1A (B) 3A (C) 2.5A (D) 2A
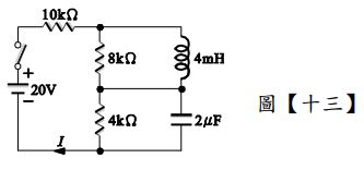
16. 如圖【十三】所示電路,當開關閉合很長時間後,電流I約為多少? (A) 0.01mA (B) 0.1mA (C) 1.43mA (D) 2.58mA
19. 有一20mH電感兩端電壓為伏特,則流經此電感器之電流有效值為多少? (A) 5A (B) 10A (C) (D)
21. 有一元件兩端加上伏特的電壓後,流經此元件的電流為安培, 則此元件為: (A) 0.1F的電容器 (B) 0.01F的電容器 (C) 0.1H的電感器 (D) 0.01H的電感器
2. A、B兩圓形導體以同材料製成,A導線的長度為B導線一半,A導線的線徑為B導線之兩 倍,若A導線電阻?=10Ω,則B導線電阻?=________Ω。
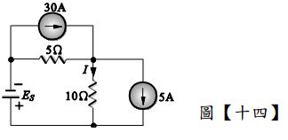
3. 如圖【十四】所示電路,已知圖中電流 I = 5A ,試求出電壓源為________V。
4. 如圖【十五】所示電路,開關S閉合後,到達穩態時,電流i為________A。