阿摩線上測驗
登入
首頁
>
電子學
> 103年 - 103 高等考試_三級_電力工程、電子工程、電信工程:電子學#43428
103年 - 103 高等考試_三級_電力工程、電子工程、電信工程:電子學#43428
科目:
電子學 |
年份:
103年 |
選擇題數:
0 |
申論題數:
7
試卷資訊
所屬科目:
電子學
選擇題 (0)
申論題 (7)
【已刪除】一、如圖一所示為一帶隙基準電壓源(bandgap reference voltage source)。試推導所需的 方程式以便證明當 V
o
=1.283 V 時 δV
o
/δT=0。假設 V
BE
溫度係數為 −2.5 mV/ °C, Q
3
的集極電流為 100 μA,元件的飽和電流為 I
S
=1.2×10
-13
A,波茲曼常數 k=1.38×10
-23
J/K, 電荷為 q=1.6×10
-19
C。(20 分)
【已刪除】二、如圖二所示為通用型主動濾波器之電路實現。試描述如何設計此主動濾波器及選取 其中被動元件值。假設極點頻率(pole frequency)為ω
o
、極點品質因素(pole quality factor)為 Q 及此濾波器 V
hp
輸出端的高頻增益為 K。(20 分)
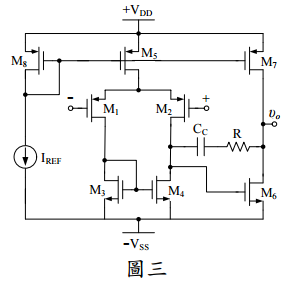
【已刪除】三、如圖三所示為以電容及電阻做回授頻率補償的兩級式 CMOS 運算放大器,以波得圖 說明此種頻率補償如何讓此運算放大器操作由沒有回授頻率補償之不穩定轉為穩定 操作?(20 分)
⑴電壓增益。
⑵說明負載電容值愈大其相位邊界(phase margin)愈大。
⑴試推導其邏輯函數 F。
⑵設計並畫出僅使用 NOR 邏輯閘的電晶體層次(transistor-level)CMOS 電路來實 現此函數。
相關試卷
115年 - 115-1 臺北市立大安高工教師甄選試題_電子/控制科:電子學#138452
115年 · #138452
115年 - 115 國營臺灣鐵路股份有限公司從業人員_甄試試題_第10階-助理技術員-電力、電務:電子學概要#138261
115年 · #138261
114年 - 114 地方政府公務特種考試_三等_電力工程、電子工程、電信工程:電子學#134800
114年 · #134800
114年 - 114 地方政府公務特種考試_四等_電力工程、電子工程、電信工程:電子學概要#134742
114年 · #134742
114年 - 114 專技高考_電子工程技師:電子學#133712
114年 · #133712
114年 - 114 公務升官等考試_薦任_電力工程、電子工程、電信工程:電子學#133247
114年 · #133247
114年 - 114 原住民族特種考試_四等_電子工程:電子學概要#130947
114年 · #130947
114年 - 114 專技高考_專利師(選試專業英文及電子學)、專利師(選試專業日文及電子學):電子學#130110
114年 · #130110
114年 - 114 普通考試_電力工程、電子工程、電信工程:電子學概要#128790
114年 · #128790
114年 - 114 高等考試_三級_電力工程、電子工程、電信工程:電子學#128768
114年 · #128768