阿摩線上測驗
登入
首頁
>
電子學
>
103年 - 103 高等考試_三級_電力工程、電子工程、電信工程:電子學#43428
> 申論題
題組內容
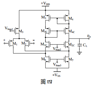
四、如圖四所示為一運算傳導放大器(Operational Transconductance Amplifier),試以電 路小訊號參數推導此放大器的:(每小題 10 分,共 20 分)
⑴電壓增益。
相關申論題
⑵說明負載電容值愈大其相位邊界(phase margin)愈大。
#139539
⑴試推導其邏輯函數 F。
#139540
⑵設計並畫出僅使用 NOR 邏輯閘的電晶體層次(transistor-level)CMOS 電路來實 現此函數。
#139541
6. 已知下圖疊接放大電路之MOSFET參數K₁=K₂=0.5mA/V²,靜態汲極電流ID為0.5mA,則電路之gm為?
#566892
5. 如圖所示電路,Vi=3.77cos377tV,R=100kΩ,C=1μF,電容電壓初值為零,則輸出電壓Vo為?
#566891
4. 如圖所示電路,若運算放大器具理想特性且Vo=12V,試求電流源I1為?
#566890
3. 如圖所示主動式帶通濾波器,其高頻截止頻率為fH,低頻截止頻率為fL,若C₂=5C₁,R₂=4R₁,則fH/fL為?
#566889
2. 如圖所示電路,假設電源電壓VDD=20V,VSS=-20V,且工作點設置於VGS=-1V,VDS=9V,ID=7mA,汲極電阻RD值約為?
#566888
二、填充題1. 如圖所示電路,若電晶體的切入電壓VBE為0.7V且電阻15kΩ消耗150μW,試求該電晶體的β值為________。
#566887
(二) = 5 V , = 0 V 時, =?
#561019
相關試卷
115年 - 115-1 臺北市立大安高工教師甄選試題_電子/控制科:電子學#138452
115年 · #138452
115年 - 115 國營臺灣鐵路股份有限公司從業人員_甄試試題_第10階-助理技術員-電力、電務:電子學概要#138261
115年 · #138261
114年 - 114 地方政府公務特種考試_三等_電力工程、電子工程、電信工程:電子學#134800
114年 · #134800
114年 - 114 地方政府公務特種考試_四等_電力工程、電子工程、電信工程:電子學概要#134742
114年 · #134742
114年 - 114 專技高考_電子工程技師:電子學#133712
114年 · #133712
114年 - 114 公務升官等考試_薦任_電力工程、電子工程、電信工程:電子學#133247
114年 · #133247
114年 - 114 原住民族特種考試_四等_電子工程:電子學概要#130947
114年 · #130947
114年 - 114 專技高考_專利師(選試專業英文及電子學)、專利師(選試專業日文及電子學):電子學#130110
114年 · #130110
114年 - 114 普通考試_電力工程、電子工程、電信工程:電子學概要#128790
114年 · #128790
114年 - 114 高等考試_三級_電力工程、電子工程、電信工程:電子學#128768
114年 · #128768