阿摩線上測驗
登入
首頁
>
初等/五等/佐級◆電子學大意
> 104年 - 104 初等考試_電子工程:電子學大意#22087
104年 - 104 初等考試_電子工程:電子學大意#22087
科目:
初等/五等/佐級◆電子學大意 |
年份:
104年 |
選擇題數:
40 |
申論題數:
0
試卷資訊
所屬科目:
初等/五等/佐級◆電子學大意
選擇題 (40)
1 圖中使用一 20 kΩ 的可變電阻構成一增益可調放大器,當電阻 R 值為多少時,最大增益為 51?
(A)0.2 kΩ (B)0.4 kΩ (C)0.8 kΩ (D)1 kΩ
2 如圖所示為何種電路?
(A)CMOS 反相器 (B)NMOS 反相器 (C)PMOS 反相器 (D)pseudo-NMOS 反相器
3 雙極性接面電晶體為具有幾個端點之元件? (A)1 個 (B)2 個 (C)3 個 (D)4 個
4 下圖電路中,由輸入端 V
1
和 V
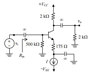
2
所分別看到的輸入電阻 R
in1
、R
in2
為何?
(A) R
in1
= 5 kΩ、R
in2
= 5 kΩ (B) R
in1
= 5 kΩ、R
in2
= 10 kΩ (C) R
in1
= 10 kΩ、R
in2
= 5 kΩ (D) R
in1
= 10 kΩ、R
in2
= 10 kΩ
5 有關一般二極體空乏區的敘述,下列何者錯誤? (A)空乏區又稱空間電荷區 (B)空乏區中的載子極少,故電阻偏高 (C)空乏區的寬度隨逆偏電壓而增加 (D)空乏區中沒有電場存在
6 最簡單的截波電路所用的元件有: (A)電阻、電容 (B)電阻、二極體 (C)電容、二極體 (D)電容、變壓器
7 當 P 型及 N 型材料形成 PN 接面時,接面處會產生一空乏層,而 P 型側之空乏層內主要的帶電粒子為: (A)正離子 (B)負離子 (C)電子 (D)電洞
8 如圖所示之電路,輸入電壓 v
i
為一交流弦波,有效值為 100 V,頻率為 60 Hz,二極體導通之壓降皆為 0.7 V, 則其輸出之漣波值約為何?
(A)0.01 V (B)0.17 V (C)1.77 V (D)2.97 V
9 有一小訊號等效電路如下圖所示,已知 R
1
= 100 kΩ、C
2
= 30 nF、R
3
= 420 kΩ。
試求 V
g
(s) / V
i
(s) 在 f = 10 Hz 的值,其中 s = jω = j2πf :
(A)接近-3 dB (B)接近-5 dB (C)接近-8 dB (D)接近-12 dB
10 在矽單晶體內,加入何種雜質會形成 P 型半導體? (A)碳(C) (B)硼(B) (C)磷(P) (D)鉀(K)
11 已知一個矽二極體之逆向飽和電流每升高 10℃約成為原先之兩倍。在溫度 25℃時的逆向飽和電流為 3 nA, 當逆向飽和電流增加到 24 nA,則溫度約升到幾度? (A)35℃ (B)45℃ (C)55℃ (D)65℃
12 圖示理想二極體電路中,輸入 v
I
為弦波,其峰值電壓為 10 V,若輸出 v
0
的漣波很小,可忽略不計,則二極 體 D 的逆向電壓峰值 PIV 約為若干?
(A)10 V (B)14 V (C)20 V (D)28 V
13 下圖為一個 CMOS 邏輯電路,請問輸出 F 為何?
(A) F =
+ AB (B) F =
B+ A
(C) F = AB (D) F =
14 分析以下之電路,若稽納(Zener)二極體之崩潰電壓為 6 V,二極體之導通電壓為 0.7 V,則流過二極體之 電流為何?
(A)3.25 mA (B)4.3 mA (C)6.6 mA (D)8 mA
15 如圖所示之電路,假設每個二極體的順向壓降為 0.7 V,且順向電阻為 0,則 I
o
約為:
(A)0.3 mA (B)1.2 mA (C)2.1 mA (D)2.4 mA
16 若 P-N 接面二極體之導通電壓為 0.7 V,且導通電阻值為 0 Ω。則電阻 10 kΩ 上之電流為何?
(A)0.63 mA (B)0.73 mA (C)0.83 mA (D)0.93 mA
17 如圖所示之二極體電路,假設二極體導通電壓 V
D0
= 0.7 V。已知電壓 v
s
(t) = 12 sin (120 πt)V、R = 10 kΩ、 C = 47 μF。試求電容 C 的充電頻率為何?
(A)30 Hz (B)60 Hz (C)90 Hz (D)120 Hz
18 如圖所示之電路,若 BJT 電晶體操作在順向主動區,忽略爾利效應(Early Effect)與所有其他電容,假使此 電路之功率消耗為 2 mW 且-3 dB 頻寬為 1 GHz,熱電壓(Thermal Voltage)V
t
= 26 mV,求其最大電壓增益 約為何?
(A)2.45 (B)3.45 (C)4.45 (D)5.45
19 如圖所示之電路,若 MOSFET 操作在飽和區(Saturation Region),且忽略元件之寄生電容與輸出阻抗,下 列何種調整方式無法增加放大器之頻寬?
(A)減低 C
L
(B)增加 V
b
(C)加大偏壓電流 I (D)選用寬長比(W / L)較大之元件
20 如圖所示之接面場效電晶體(JFET)放大器,已知工作點閘源極電壓 V
GS
為-2.8 V,汲極電流 I
D
為 4.5 mA, I
DSS
為 16 mA,夾止電壓(Pinch-off Voltage)V
P
為-6 V,不考慮接面場效電晶體的交流輸出阻抗 r
d
的影響, 則此放大器的電壓增益
約為多少?
(A)8.6 (B)4.2 (C)2.5 (D)0.8
21 一維持工作於飽和模式(Saturation Mode)的 MOSFET,若其汲極電流 I
D
增為 4 倍,則其轉導 (Transconductance)參數 g
m
的值會如何變化? (A)增為 4 倍 (B)增為 2 倍 (C)減為一半 (D)減為四分之一
22 若雙極性接面電晶體(BJT)工作在主動區(Active Region)的電流 I
C
= 2 mA,電流放大率 β = 100,則其 轉導(Transconductance)g
m
約為若干 mA/V? (A)20 (B)40 (C)80 (D)100
23 接成共射極組態的雙極性接面電晶體(BJT)放大器,其通常之特性為何? (A)僅具電流放大特性 (B)僅具電壓放大特性 (C)兼具電流與電壓放大特性 (D)沒有電流或電壓放大特性
24 如圖所示放大器,若 BJT 電晶體操作於順向主動區(Forward Active Region)且忽略爾利效應(Early Effect), V
i
為輸入,V
o
為輸出,下列敘述何者錯誤?
(A)該放大器為同相放大器 (B)增加 R
1
則增益增加 (C)增加 R
2
則增益增加 (D)增加 I
b
則增益增加
25 如圖電路為一共源放大器的簡圖,若電晶體之臨界電壓(Threshold Voltage)V
t
= 0.5 V;又 V
DD
= 5 V,R
D
= 2 kΩ, I = 1.5 mA。若要維持電晶體工作於飽和模式,則輸入電壓 v
I
之最大直流值 V
I max
為多大?
(A)5 V (B)2.5 V (C)2 V (D)0 V
26 下圖為 npn 電晶體之混合 π 等效電路。假設此電晶體在集極電流 I
C
= 1 mA 時其相關參數為 β = 100、C
μ
= 0.08 pF、 C
π
= 0.22 pF,且熱電壓 V
t
= 0.026 V。請問此電晶體短路電流增益的 3 分貝頻率 f
β
約為多少?
(A)166 MHz (B)174 MHz (C)180 MHz (D)204 MHz
27 圖示雙極性接面電晶體(BJT)電路,若電晶體 β = 100,電流 I = 1 mA,則輸入阻抗 R
in
約為若干 kΩ?
(A)2 (B)20 (C)200 (D)500
28 若某一 n 通道金氧半場效電晶體(N-MOSFET)之臨界電壓(Threshold Voltage)V
t
= 1 V,且其汲極-源極電 壓差 V
DS
= 4 V,閘極-源極電壓差 V
GS
= 2V,則此電晶體係操作在下列何種區域? (A)截止區域(cut-off region) (B)三極管區域(triode region) (C)歐姆區域(ohmic region) (D)飽和區域(saturation region)
29 分析下圖之電路,若 MOSFET 之轉導值 g
m
= 1 mA/V 且操作於飽和區,元件之輸出阻抗 r
o
= 10 kΩ,R
b
= 10 kΩ, R
D
= 10 kΩ,R
S
= 1 kΩ。試求輸出阻抗 R
o
約為多少?
(A)20 kΩ (B)10 kΩ (C)7 kΩ (D)3 kΩ
30 如圖之差動對電路,電晶體之 g
m
= 4 mA/V,V
t
= 0.5 V,R
L
= 10 kΩ,R
D
= 5 kΩ,R
S
= 0.25 kΩ,I = 0.8 mA, V
DD
= -V
SS
= 5 V,求使電晶體維持工作於飽和模式之共模輸入電壓之最大值 V
CMmax
為何?
(A)2.5 V (B)3 V (C)3.5 V (D)5 V
31 下列有關於以運算放大器組成之韋恩電橋振盪器(Wien-Bridge Oscillator)的描述,那一項正確? (A)正回授電路是 LC 電路 (B)負回授電路是電阻組成之分壓電路 (C)正回授電路的相移是 90° (D)正回授量小於負回授量
32 如圖所示之理想運算放大器電路,其 -3 dB 頻率為何?
(A)65.5 kHz (B)75.5 kHz (C)85.5 kHz (D)95.5 kHz
33 如圖之理想運算放大器電路,下列敘述何者正確?
(A)V
R2
之波形為方波 (B)V
R2
之波形為三角波 (C)V
R2
之波形為正弦波 (D)V
R2
之波形為直流
34 有一電路的轉移函數
,頻率為 10 rad / sec 時,增益約為若干 dB? (A)0 (B)20 (C)40 (D)60
35 下列何者是影響放大器高頻響應衰減的因素? (A)旁路電容 (B)耦合電容 (C)電晶體的內部電容 (D)電源供應器的濾波電容
36 如圖所示放大器,外接電容為 C
C1
、C
C2
和 C
S
,MOSFET 的寄生電容為 C
gs
和 C
gd
。當電壓增益的絕對值
越大時,有關此放大器的頻率響應頻寬 BW,下列敘述何者正確?
(A)
越大,BW 越寬 (B)
越大,BW 越窄 (C)
與 BW 之間不是絕對的正向或反向關係,BW 主要受其他參數而變寬變窄 (D)
與 BW 無關係,BW 不受
影響
37 一個 MOS 疊接放大器(Cascode Amplifier)主要是用來達成下列那一個功能? (A)降低輸出電阻 (B)提高電流增益 (C)提高輸入電阻 (D)提高頻寬
38 有一放大器電路的轉移函數(Transfer Function) F(s) = V
O
(s)/V
I
(s),其中 s = jω = j2πf :
,欲估計此放大器在高頻的 3 dB 頻率 f 3dB,下列何者正確? (A)接近 5 kHz (B)接近 10 kHz (C)接近 50 kHz (D)接近 100 kHz
39 下圖為由理想運算放大器所組成之考畢子振盪器電路,其振盪頻率為何?
40 分析以下之電路,若 MOSFET 操作在飽和區且轉導值 g
m
為 1 mA / V;BJT 操作在順向主動區(Forward Active Region)且轉導值 g
m
為 10 mA / V,β = 10。忽略元件之輸出阻抗 r
o
,試求 V
o
/ V
i
=?
(A)55/6 (B)55/3 (C)-55/6 (D)-55/3
申論題 (0)
相關試卷
115年 - 115 初等考試_電子工程:電子學大意#136710
115年 · #136710
114年 - 114 初等考試_電子工程:電子學大意#124880
114年 · #124880
113年 - 113 初等考試_電子工程:電子學大意#118527
113年 · #118527
112年 - 112 地方政府特種考試_五等_電子工程:電子學大意#118362
112年 · #118362
112年 - 112 鐵路、國家安全情報特種考試_佐級、五等_電子工程、電子組:電子學大意#114944
112年 · #114944
112年 - 112 身心障礙特種考試_五等_電子工程:電子學大意#113943
112年 · #113943
112年 - 112 初等考試_電子工程:電子學大意#112891
112年 · #112891
111年 - 111 地方政府特種考試_五等_電子工程:電子學大意#112600
111年 · #112600
111年 - 111 鐵路特種考試_佐級_電子工程:電子學大意#108515
111年 · #108515
111年 - 111 初等考試_電子工程:電子學大意#105667
111年 · #105667