阿摩線上測驗
登入
首頁
>
結構學概要與鋼筋混擬土學概要
> 105年 - 105 原住民族特種考試_四等_土木工程:結構學概要與鋼筋混凝土學概要#57780
105年 - 105 原住民族特種考試_四等_土木工程:結構學概要與鋼筋混凝土學概要#57780
科目:
結構學概要與鋼筋混擬土學概要 |
年份:
105年 |
選擇題數:
0 |
申論題數:
4
試卷資訊
所屬科目:
結構學概要與鋼筋混擬土學概要
選擇題 (0)
申論題 (4)
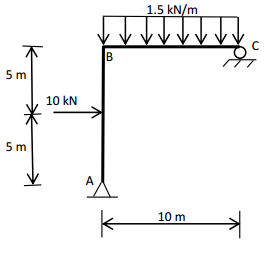
【已刪除】一、請計算所示靜定剛架結構各支承反力並繪桿件 AB、BC 之剪力圖與彎矩圖。各桿件 之 EI 為定值。(25 分)
【已刪除】二、請以單位力法推導所示桁架結構施力點位移。各桿件之 EA 為定值。(25 分)
【已刪除】三、一鋼筋混凝土梁斷面之應力應變圖如下,試說明所用到之假設。(25 分)
四、一鋼筋混凝土簡支梁跨距 5 m,斷面如下,b = 35 cm,h = 65 cm,d = 58.5 cm,已 知混凝土單位重為 2.35 tf/m
3
, cf′ = 280 kgf/cm
2
,f
y
= 4,200 kgf/cm
2
,鋼筋為 4 根 D25 (d
b
= 2.54 cm,A
b
= 5.067 cm
2
)。試求該梁在撓曲控制時,最大可承受之均布活載重 為何?(25 分)
相關試卷
114年 - 114 地方政府公務、離島地區公務特種考試_四等_土木工程:結構學與鋼筋混凝土學概要#134785
114年 · #134785
114年 - 114 原住民族特種考試_三等_土木工程:結構學與鋼筋混凝土學#130980
114年 · #130980
114年 - 114 原住民族特種考試_四等_土木工程:結構學與鋼筋混凝土學概要#130949
114年 · #130949
114年 - 114 普通考試_土木工程:結構學與鋼筋混凝土學概要#128751
114年 · #128751
114年 - 114 身心障礙特種考試_四等_土木工程:結構學與鋼筋混凝土學概要#126635
114年 · #126635
113年 - 113-2 國營臺灣鐵路股份有限公司_從業人員甄試試題_第10階-助理技術員-土木工程:結構學概要與鋼筋混凝土學大意#137204
113年 · #137204
113年 - 113 國營臺灣鐵路股份有限公司_從業人員甄試_第 10 階-助理技術員-土木工程:結構學概要與鋼筋混凝土學大意#137172
113年 · #137172
113年 - 113 地方政府公務、離島地區公務特種考試_四等_土木工程:結構學與鋼筋混凝土學概要#124558
113年 · #124558
113年 - 113 地方政府公務、離島地區公務特種考試_四等_土木工程:結構學與鋼筋混凝土學概要#124322
113年 · #124322
113年 - 113 原住民族特種考試_三等_土木工程:結構學與鋼筋混凝土學#122674
113年 · #122674