阿摩線上測驗
登入
首頁
>
機械工程製圖
> 105年 - 105 鐵路特種考試_佐級_機械工程:機械工程製圖大意#53465
105年 - 105 鐵路特種考試_佐級_機械工程:機械工程製圖大意#53465
科目:
機械工程製圖 |
年份:
105年 |
選擇題數:
40 |
申論題數:
0
試卷資訊
所屬科目:
機械工程製圖
選擇題 (40)
1 關於製圖線條發生重疊時之優先順序,下列何者正確? (A)隱藏線與中心線重疊時,畫中心線 (B)輪廓線與中心線重疊時,畫輪廓線 (C)尺度界線與輪廓線重疊時,畫尺度界線 (D)輪廓線與隱藏線重疊時,畫隱藏線
2 根據國家標準(CNS),有關線條之敘述,下列何者正確? (A)粗實線可用於表示表面處理範圍 (B)細實線可用於繪製假想線 (C)細兩點鏈線可用於繪製中心線 (D)細一點鏈線可用於繪製節線
3 下列所示之正投影視圖,何者為在空間中相交的兩直線? (A)
(B)
(C)
(D)
4 下列之幾何公差符號,何者屬於定位公差? (A)
(B)
(C)
(D)
5 下列具有公差之軸與孔的配合尺寸,何者屬於過渡配合? (A)
(B)
(C)
(D)
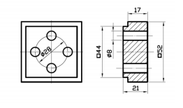
6 根據國家標準(CNS),如下所示之圖形代表那一種機械元件的習用表示法?
(A)線性軸承 (B)滾動軸承 (C)滑動軸承 (D)靜壓軸承
7 根據國家標準(CNS),下圖代表那一種管接合表示法?
(A)螺紋接合 (B)銲接接合 (C)凸緣接合 (D)插承接合
8 根據國家標準(CNS)管路製圖,下圖之兩管插入銲接表示法,代表那一種插入銲接?
(A)十字接頭 (B)三通接頭 (C)附加強板 (D)附加強座
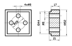
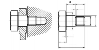
9 如下圖所示之機械裝置,其中尺度 a 屬於何種尺度?
(A)功能尺度 (B)非功能尺度 (C)參考尺度 (D)基準尺度
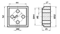
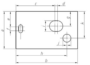
10 尺度標註如下圖所示,請於下列選項中選出均為位置尺度的選項:
(A)尺度 a、尺度 b (B)尺度 a、尺度 c (C)尺度 i、尺度 j (D)尺度 c、尺度 k
11 下列製圖之尺度標註,何者之標註最適當? (A)
(B)
(C)
(D)
12 根據國家標準(CNS),已發出之圖須更改時,更改尺度之標註方式,下列何者正確? (A)
(B)
(C)
(D)
13 一物體以第三角法表示其各投影視圖,下列何者正確? (A)
(B)
(C)
(D)
14 如圖所示之銲接符號,下列敘述何者錯誤?
(A)有效喉深為 8 mm (B)填角銲接 (C)現場全周銲接 (D)銲道之表面形狀為凸面
15 下圖為三角平面 abc 之水平投影(H)及直立投影(V),何者為其正確之側投影(P)?
(A)
(B)
(C)
(D)
16 採用第三角法繪製一物體的正投影視圖,下圖為物體的俯視圖,何者為最適當的前視圖畫法?
(A)
(B)
(C)
(D)
17 採用第三角法繪製一物體的正投影視圖的前視圖和俯視圖,何者為前視圖最適當之全剖視圖?
(A)
(B)
(C)
(D)
18 採用第三角法繪製一物體的正投影視圖的前視圖、俯視圖和右側視圖,該物體含有幾個複斜面?
(A) 1 個 (B) 2 個 (C) 3 個 (D) 4 個
19 根據國家標準(CNS),內螺紋之習用畫法,下列何者正確? (A)
(B)
(C)
(D)
20 正齒輪的組合圖中,下列何者為正確的習用表示法? (A)
(B)
(C)
(D)
21 採用第三角法繪製一物體正投影視圖的前視圖和俯視圖,何者為正確之右側視圖?
(A)
(B)
(C)
(D)
22 採用第三角法繪製一物體正投影視圖的前視圖和俯視圖,何者為正確之右側視圖?
(A)
(B)
(C)
(D)
23 採用第三角法繪製一物體正投影視圖的前視圖和俯視圖,何者為正確之右側視圖?
(A)
(B)
(C)
(D)
24 採用第三角法繪製一物體正投影視圖的俯視圖和右側視圖,何者為正確之前視圖?
(A)
(B)
(C)
(D)
25 採用第三角法繪製一物體正投影視圖的前視圖和俯視圖,何者為正確之左側視圖?
(A)
(B)
(C)
(D)
26 採用第三角法繪製一物體正投影視圖的前視圖和俯視圖,何者為正確之左側視圖?
(A)
(B)
(C)
(D)
27 關於下圖中公差配合的標註說明何者正確? (A)孔的公差等級為國際標準公差第 6 級 (B)此為基軸制的配合制度 (C)此配合為干涉配合 (D)軸的基礎偏差位置為 f
28 下圖中那一個視圖的標示方式符合國家標準(CNS)關於圓的尺寸標註原則? (A)
(B)
(C)
(D)
29 下圖何者的投影視圖正確? (A)
(B)
(C)
(D)
30 下列組合圖中,那一個是正確的件號表示法? (A)
(B)
(C)
(D)
31 下圖將對稱圖形以半剖面表示,那一個圖關於孔徑的標註法正確? (A)
(B)
(C)
(D)
32 某一內螺紋的剖視圖如下,何者是其正確的右側視圖?
(A)
(B)
(C)
(D)
33 在工程圖中線條重合時,下列線條繪製之優先順序何者錯誤? (A)割面線優於虛線 (B)實線優於中心線 (C)中心線優於尺度界線 (D)虛線優於折斷線
34 下列幾何公差符號中那一個不屬於形狀公差? (A)
(B)
(C)
(D)
35 下列組合圖中何者為理想的剖面表示法? (A)
(B)
(C)
(D)
36 使用第三角法投影,某物體的視圖如下,則其右視圖為下列那一個?
(A)
(B)
(C)
(D)
37 下圖以局部視圖作為輔助視圖的畫法,那一個錯誤? (A)
(B)
(C)
(D)
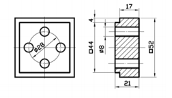
38 某元件尺寸標註圖示如下,請問 h 的高度為何?
(A) 8 (B) 9 (C) 10 (D) 12
39 某螺紋件組合在一螺紋孔座上,其螺紋部尺寸標註為 2N M6×0.75-5g6g,則轉動該螺紋件 4 圈時最可 能的移動量為: (A) 24 mm (B) 8 mm (C) 6 mm (D) 3 mm
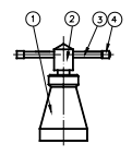
40 那一個銲接符號可正確表示視圖中的銲接方式?
(A)
(B)
(C)
(D)
申論題 (0)
相關試卷
104年 - 104 鐵路特種考試_佐級_機械工程:機械工程製圖大意#22124
104年 · #22124
103年 - 103 鐵路特種考試_佐級_機械工程:機械工程製圖大意#22132
103年 · #22132
102年 - 102 原住民族特種考試_五等_機械工程:機械工程製圖大意#34548
102年 · #34548
102年 - 102 鐵路特種考試_佐級_機械工程:機械工程製圖大意#34280
102年 · #34280
101年 - 101 原住民族特種考試_五等_機械工程:機械工程製圖大意#35958
101年 · #35958
101年 - 101 鐵路特種考試_佐級_機械工程:機械工程製圖大意#21207
101年 · #21207
100年 - 100 鐵路特種考試_佐級_機械工程:機械工程製圖大意#33977
100年 · #33977
99年 - 99 鐵路特種考試_佐級_機械工程:機械工程製圖大意#35966
99年 · #35966
98年 - 98 鐵路特種考試_佐級_機械工程:機械工程製圖大意#36856
98年 · #36856
97年 - 97 鐵路特種考試_佐級_機械工程:機械工程製圖大意#35847
97年 · #35847