所屬科目:統測◆03電機類、04資電類◆(一)基本電學、基本電學實習、電子學、電子學實習
1. 如圖 ( 一 ) 所示之 v 1 ( t ) 為週期性電壓波形,若 Vp = 10 V, T1 = 3 s, T2 = 2 s,則其 工作週期( duty cycle )為何? (A) 30% (B) 40% (C) 60% (D) 80%圖(一)
2. 如圖(二)所示之理想稽納二極體電路,若Z1、Z2之崩潰電壓分別為2V及3V,VS =6V, RS=200Ω,RL=300Ω,則電流IZ為何? (A) 5mA (B) 8mA (C) 10mA (D) 15mA 圖(二)
3. 如圖 ( 三 ) 所示之理想二極體電路,AC 電源接於 110 V 交流市電,則二極體 D4 所承受之 最大逆向電壓約為多少? (A) 48V (B) 34V (C) 24V (D) 17V圖(三)
4. 如圖 ( 四 ) 所示之理想二極體電路, v in = 10 sin ( ω t ) V, E = 3 V, R = 3 k Ω,試觀察 v out 一週期之波形為何? (A) (B) (C) (D) 圖(四)
5. 如圖 ( 五 ) 所示之理想二極體電路, v in 為高低位準的寛度各佔 50 % 之波形,其高位準6V,低位準–1V,則vout之有效值為何? (A) 6.7V (B) 8.5V (C) 9.2V (D) 10.4V圖(五)
7. 如圖(六)所示之電路,電晶體的β=100,VBB =6V,VCC =12V,RB =100 kΩ,RC =1kΩ, VBE =0.7V,則VCE約為何? (A) 5.3V(B) 6.0V (C) 6.7V (D) 7.4V 圖(六)
9. 如圖 ( 七 ) 所示之電路,電晶體的 β = 99,VBE = 0.7 V,若 VCC = 12 V,RC = 1.2 k Ω, VCE =6V,則RB應為何? (A) 68 kΩ (B) 82 kΩ (C) 94 kΩ (D) 106 kΩ圖(七)
11. 如圖(八)所示之電晶體放大電路,若電晶體之 β =99,VBE =0.7V,熱電壓(thermal voltage ) VT = 26 mV,C 為耦合電容或旁路電容。欲設計其電壓增益 |Vo / Vi |150 ,則 RC 約為 多少? (A) 2 kΩ(B) 3 kΩ (C) 4 kΩ (D) 6 kΩ 圖(八)
12. 如圖(九)所示之電晶體放大電路,C為耦合電容,在正常工作下,其 β=99,射極交流電阻 r e=50Ω,則此電路之電壓增益Vo /Vs約為何? (A) 59.4 (B) 36.8 (C) 13.1 (D) 3.3 圖(九)
16. 如圖 ( 十 ) 所示電路,其中 Q1 與 Q2 的臨界電壓 ( threshold voltage ) 分別為 1 V 與 – 1 V。 當Vi=0V時,Q1、Q2的工作狀態為何? (A) Q1與Q2皆工作在歐姆區(B) Q1與Q2皆工作在截止區 (C) Q1工作在截止區、Q2工作在歐姆區 (D) Q1工作在歐姆區、Q2工作在截止區 圖(十)
17. 如圖 ( 十一 ) 所示電路,若 MOSFET 的臨界電壓 ( threshold voltage ) VT = 2 V,且其參數 K=1mA/V2。欲設計使其工作在VDS=4V,則RD的值應為何? (A) 2 kΩ (B) 4 kΩ (C) 6 kΩ (D) 8 kΩ圖(十一)
18. 如圖 ( 十二 ) 所示之 FET 小信號模型電路,其中放大因數 μ = gmrd,則由輸出端 vo看入的 輸出阻抗Zo為何? (A) RD + rd +(1+ μ)RS (B) RD //rd //(1+ μ)RS (C) RD +[rd //(1+ μ)RS] (D) RD // [rd +(1+ μ)RS]圖(十二)
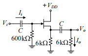
19. 如圖 ( 十三 ) 所示電路,JFET 工作於飽和區,其轉移電導 gm = 0.5 mA / V, rd忽略不計, 則其電流增益Io /Ii約為何? (A) 60 (B) 81.7 (C) 166.6 (D) 250圖(十三)
20. 如圖 (十四)所示之運算放大器電路,假設R1=R2=Rg=Rf =10 kΩ,且輸入電壓V1=6V, V2=8V,求其正常工作於未飽和時的輸出電壓Vo為多少? (A) 14V (B) 8V (C) 2V (D) – 6V圖(十四)
21. 如圖 ( 十五 ) 所示電路,正常工作下輸出電壓波形為三角波時,則其輸入電壓波形為下列 何者? (A) 方波 (B) 正弦波 (C) 三角波 (D) 鋸齒波 圖(十五)
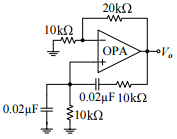
22. 如圖 ( 十六 ) 所示之電路,其 OPA 之正負飽和電壓為 ± 12 V,若 Vi = – 5 V,Vr = 1 V, R1=5 kΩ,R2=2kΩ,求輸出電壓Vo為多少? (A) +12V (B) +4V (C) – 4V (D) – 12V
圖(十六)
24. 如圖(十七)所示之振盪電路,於正常工作下,輸出電壓Vo之頻率約為何? (A) 100Hz (B) 398Hz (C) 796Hz (D) 100 kHz圖(十七)
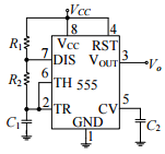
25. 如圖(十八)所示為555IC所組成之方波產生電路,則下列何種R1和R2的關係可以得到最 接近工作週期50%的方波信號? (A) R1>>R2 (B) R1=2R2 (C) R2=2R1 (D) R2>>R1 圖(十八)
30. 如圖(十九)所示,若E=120V,則開關S在開啟與閉合不同狀態下之I分別為何? (A) 5A,20A (B) 5A,25A (C) 6A,20A (D) 6A,25A圖(十九)
31. 如圖(二十)所示,三個電流大小之比例為I1:I2:I3= (A) 1:2:3 (B) 3:2:1 (C) 1:1:1 (D) 6:3:2 圖(二十)
32. 如圖(二十一)所示,其中圖B為圖A之等效電路,則Eth及Rth分別為何? (A) Eth=120V,Rth=12Ω (B) Eth=90V,Rth=12Ω (C) Eth=20V,Rth=2Ω (D) Eth=10V,Rth=2Ω圖(二十一)
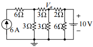
33. 如圖(二十二)所示,Va為何? (A) 8V (B) 10V (C) 12V (D) 16V 圖(二十二)
34. 如圖(二十三)所示,RL可得之最大功率為何? (A) 12W (B) 9W (C) 6W (D) 3W 圖(二十三)
37. 如圖(二十四)所示,各電感之間無互感存在,則a、b 兩端之總電感值為多少? (A) 15mH (B) 11mH (C) 8mH (D) 4.5mH圖(二十四)
39. 如圖 ( 二十五 ) 所示,開關 S 閉合時的充電時間常數及開關 S 啟斷後的放電時間常數, 分別為多少秒? (A) 0.25及0.4 (B) 0.4及0.2 (C) 0.4及0.25 (D) 0.2及0.4圖(二十五)
40. 如圖(二十六)所示,若開關S 閉合時t=0,則t >0的電流i(t)為何? (A) i(t)=50( 1 –e – 50 t )A (B) i(t)=50 ( 1– e – t/50 )A (C) i(t)=5 ( 1– e – 50 t )A (D) i(t)=5e –50 tA圖(二十六)
44. 如圖 ( 二十七 ) 所示之串聯電路,若阻抗 = 5∠53.1° Ω, = 6 + j 8 Ω,當加上 =150∠0° V之電壓時,則 為何?( sin53.1° = 0.8, cos53.1° = 0.6 ) (A)100∠0° V (B)100∠53.1° V (C)50∠0° V (D)50∠53.1° V圖(二十七)
47. 如圖 ( 二十八 ) 所示,負載兩端的電壓 = 5 + j 2 V,流經此負載的電流= 3 + j 4 A,則此 電路消耗之複數功率 S 為何? (A) 7 – j 14VA (B) 23+j 26VA (C) 7+j 26VA (D) 23 – j 14VA圖(二十八)
50. 有一三相平衡電源供應 Y 接三相平衡負載,電源相序為 ABC,若電源側線電壓 = 220∠30° V,線電流 = 5∠-30° A,則此電路的功率因數角為何? (A)0° (B)30° (C)60° (D)90°