所屬科目:統測◆(一)電子學、基本電學
1.如圖(一)所示之電壓信號,頻率為50Hz,T為週期,脈波寬度為8ms,則此信號的平均值為何? (A)10V (B)5V (C) 4 V (D) 2 V
3.如圖(二)所示電路,已知稽納二極體之崩潰電壓VZ=5V、最大崩潰電流=9mA,若電路維持在正常穩壓狀態,則限流電阻R1最小值為何? (A)200Ω (B)300Ω (C)400Ω (D) 500 Ω
4.如圖(三)所示電路,已知輸入電壓信號vi及輸出電壓信號vo,以及電阻R1=R2=8kΩ,若考慮二極體的障壁電壓為0.7V,且忽略順向電阻,則電路中的電壓V1及V2分別為何? (A) V1 = 5 V、 V2 = − 3 V (B) V1 = 4.3 V、 V2 = − 3.7 V (C) V1 = 4.3 V、 V2 = 2.3 V (D) V1 = 5.7 V、 V2 = 3.7 V
6.如圖(四)所示電路,若BJT做開關動作使LED呈週期性閃爍,則此電路中的BJT操作模式為何? (A)飽和模式及主動模式 (B)飽和模式及截止模式 (C)主動模式及崩潰模式 (D)主動模式及截止模式
7.如圖(五)所示電路,BJT之切入電壓=10.2V、 Vi=5.7V、RB=10kΩ、RC=1kΩ,則電流IC 為何? (A) 0 mA (B) 0.5 mA(C) 5 mA(D) 10 mA
9.如圖(六)所示電路,BJT之β=50,切入電壓=10.7V、RC=1kΩ, 若=5.7V,則RB應為何? (A)51kΩ (B) 102 k Ω (C) 153 k Ω (D) 204 k Ω
11.如圖(七)所示電路,若BJT之β=100,切入電壓=0.7V,熱電壓VT=26mV,則輸出阻抗Zo約為何? (A)10Ω (B) 22 Ω (C) 100 Ω (D) 220 Ω
12.如圖(八)所示電路,若BJT之β=100,切入電壓=0.7V,熱電壓VT=26mV,則電 壓增益vo/vi約為何? (A)−101 (B) − 121 (C) − 137 (D) − 182
15.如圖(九)所示電路,JFET之截止電壓=−4V,=6mA,若JFET工作於飽和區, 則直流電壓源最小值約為何? (A)6V (B) 8 V (C) 10 V (D) 12 V
16.某N通道增強型MOSFET之臨界電壓(thresholdvoltage)VT=2V,當工作於飽和區且閘-源極間電壓=4V時,汲極電流為4mA;若=5V,則汲極電流為何? (A)11mA (B) 9 mA (C) 7 mA (D) 5 mA
17.如圖(十)所示電路,MOSFET之臨界電壓VT=2V,參數K=1.2mA/V2,則電壓約為何? (A)4.6V (B) 5.8 V (C) 6.3 V (D) 7.2 V
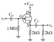
18.如圖(十一)所示電路,JFET之互導gm=10mA/V且工作於飽和區,當旁路電容Cs移除後,此放大器電壓增益vo/vi變化為何? (A)由−390變成−15 (B) 由− 390 變成− 8 (C) 由− 200 變成− 5 (D) 由− 200 變成− 3
19.如圖(十二)所示電路,JFET之互導gm=5mA/V且工作於飽和區,此放大器之電壓增益 vo/vi為何? (A)3/4 (B) 5 / 6 (C) 6 / 7 (D) 7 / 8
20.如圖(十三)所示之理想運算放大器電路,若BJT之β=100,R1=R2=R3=3kΩ, RC=1kΩ,當Vs=5V,則Vo約為何? (A)9V (B) 11 V (C) 13 V (D) 15 V
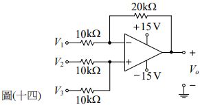
21.如圖(十四)所示之理想運算放大器電路,若V1=2V,V2=1V,V3=−2V,則Vo為何? (A)−5.5V (B)−7.5V (C) − 9.5 V (D) − 11.5 V
22.如圖(十五)所示之理想運算放大器電路,若電路工作於線性放大區且電壓增益Vo/Vi為 −10,輸入電阻Ri為10kΩ,則電阻R1及R2應為何? (A)R1=20kΩ、R2=200kΩ (B) R1 = 10 k Ω、 R2 = 200 k Ω (C) R1 = 20 k Ω、 R2 = 100 k Ω (D) R1 = 10 k Ω、 R2 = 100 k Ω
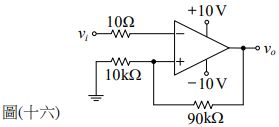
24.如圖(十六)所示電路,上臨界電壓VU及遲滯電壓VH各為何? (A)VU=1V、VH=3V (B)VU=1V、VH=2V (C) VU = 2 V、 VH = 3 V(D) VU = 4V、 VH = 6V
第二部份:基本電學(第26至50題,每題2分,共50分)26.有一銅導線的截面積為0.1平方公分,導線內的電流值為16毫安培,已知銅的電子密度為個自由電子/立方公尺,則電子在導線中的平均速度為何? (A)公尺/秒(B)公尺/秒(C)公尺/秒(D)公尺/秒
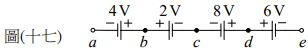
27.如圖(十七)所示,下列敘述何者正確? (A) 當 c 點接地時, = 4 V (B) 當 c 點接地時, = − 4 V (C) 當 b 點接地時, = 4 V (D) 當 d 點接地時, = − 4 V
28.有一電阻器在30°C時其電阻值為3Ω,在150°C時其電阻值為6Ω,則此電阻器在30°C時之溫度係數為何? (A)(1/120)(B)(1/90)(C)(1/ 60 ) (D) ( 1 / 30 )
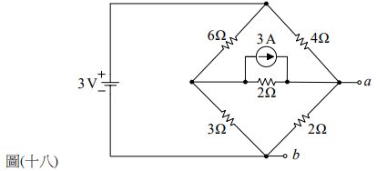
29.如圖(十八)所示,則a、b二端看入之戴維寧等效電阻為何? (A)1Ω (B)2Ω (C)4Ω (D) 6 Ω
30.如圖(十九)所示,R1=8Ω、R2=2Ω、R3=8Ω、R4=4Ω、R5=4Ω、R6=16Ω,則電流I為何? (A)8A (B)6A (C) 4 A (D) 2 A
31.如圖(二十)所示,下列敘述何者正確? (A)I1=12A (B)I2=9A (C) I3 = 6 A (D) I4 = 3 A
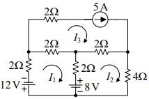
32.如圖(二十一)所示,I1、I2及I3分別為三個迴圈電路的電流,則下列敘述何者正確? (A)I1=2A (B)I2=1A (C) I1 = − 1 A (D) I2 = − 2 A
33.如圖(二十二)所示,則a、b兩端看入之諾頓等效電流IN及等效電阻RN分別為何? (A)7A、2Ω (B)6A、3Ω (C) 8 A、4 Ω(D) 9 A、5 Ω
34.如圖(二十三)所示,若RL可獲得最大功率,則最大功率值為何? (A)16W (B)32W (C)48W(D) 64 W
35.如圖(二十四)所示,若a、b兩端的總電容值為40μF,則下列敘述何者正確? (A)C1=100μF、C2=10μF、C3=10μF (B)C1=80μF、C2= 20 μF、 C3 = 20 μ F (C) C1 = 20 μF、 C2 = 10 μF、 C3 = 10 μF(D) C1 = 120 μF、 C2 = 30 μF、 C3 = 30 μF
37.如圖(二十五)所示,E1=100V、R1=5Ω、R2=5Ω、L1=100mH,電路在穩態時,電感電流IL及電感的儲存能量WL各為何? (A)IL=20A、WL=20J (B) IL = 10 A、WL = 5 J (C) IL = 20 A、WL = 20 mJ (D) IL = 10 A、WL = 10 mJ
39.如圖(二十六)所示,在開關S1閉合前電感無儲存能量,若S1在時間t=0秒時閉合,電感電流iL=10()A,則下列敘述何者正確? (A)E1=10V、R1=2Ω、L1 = 100 mH (B) E1 = 10 V、 R1 = 4 Ω、 L1 = 20 mH (C) E1 = 20 V、 R1 = 2 Ω、 L1 = 100 mH (D) E1 = 40 V、 R1 = 4 Ω、 L1 = 50 mH
40.正弦波電壓信號週期函數的峰值Vm為200V、週期為10ms,此電壓有效值及頻率為何? (A)電壓有效值為200V,頻率為200Hz(B)電壓有效值為100V,頻率為100Hz (C)電壓有效值為50V,頻率為100Hz(D)電壓有效值為50V,頻率為50Hz
42.如圖(二十七)所示之交流穩態電路,電阻R1為40Ω,電感抗XL為30Ω,若a、b兩端電壓的有效值為200V,則流經電感抗的電流有效值為何? (A)2A (B)3A (C) 4 A (D) 5 A
43.如圖(二十八)所示之交流穩態電路,已知各支路電流有效值為IS=30A、IR=24A、IC=6A, 則電感電流有效值IL為何? (A)0A (B)18 A (C) 24 A (D) 30 A
44.有一RLC串聯電路,接於電壓為v(t)=120cos(377t−15°)V之電源,經量測得知電流為i(t)=6cos(377t+30°)A,則電阻兩端的電壓峰值為何? (A) 120V (B) 120 V (C) 100V (D) 100 V
46.如圖(二十九)所示之交流穩態電路,若v(t)=240cos(377t)V、iA(t)=10cos(377t−45°)A、 iB(t)=20cos(377t+90°)A,則電源所供應之視在功率為何? (A)4800 VA (B) 2400 ( 1 + ) VA (C) 2400 VA (D) 2400 VA
47.有一RC串聯電路,已知其電阻R=24Ω以及電容抗XC=18Ω。若將此電路接於 v(t)=120cos(377t+30°)V之電源,則電源所供應之最大瞬間功率為何? (A)480W (B) 432 W (C) 384 W (D) 192 W
50.有一功率因數為0.866落後之三相平衡負載,將其連接於線電壓有效值為220V之三相平衡電源,已知線電流有效值為10A,則負載每相所消耗之平均功率約為何? (A)1100W(B)1100W(C)2200W(D)2200W