所屬科目:統測◆03電機類、04資電類◆(一)基本電學、基本電學實習、電子學、電子學實習
3. 如圖(一)所示電路,下列有關各節點間電位差之敘述,何者正確?(A) Vac>Vad (B) Vdn>Vcn (C) Vdn>Vac (D) Vad>Vac
4. 如圖 ( 二 ) 所示電路,若 E 及 R1為固定值,且當 R2 = 2 Ω 時, V2 = 10 V;當 R2 = 8 Ω 時, V2 =16V。當 R2=18Ω 時,則 V2為何?(A) 20V(B) 19V (C) 18V (D) 17V
5. 如圖(三)所示電路,電流I 約為何?(A) – 2.33A(B) – 1.24A (C) 1.67A (D) 2.33A
6. 如圖(四)所示電路,電流Ia與Ib分別為何?(A) Ia=1A、Ib=2A (B) Ia=2A、Ib=1A (C) Ia=0A、Ib=2A (D) Ia=1A、Ib=0A
7. 如圖(五)所示電路,電流I 為何?
(A) 3A (B) 2A (C) 1A (D) 0A
8. 如圖 ( 六 ) 所示電路,若直流電壓源 VS = 120 V, C1 = 10 μ F、 C2 = 20 μ F、 C3 = 30 μ F, 則電壓V1與V2分別為何? (A) V1=20V、V2=100V (B) V1=60V、V2=60V (C) V1=80V、V2=40V (D) V1=100V、V2=20V
12. 如圖 ( 七 ) 所示之交流穩態電路,若 v( t ) = cos(2t)V ,則流經 12 Ω 電阻之電流有效值為何? (A) 0.5A (B) 2A (C) 4A (D) 6A
13. 有一 RLC 串聯電路,接於 v( t) = sin(377)V 之交流電源,已知電阻 R = 6 Ω、電感抗XL=20Ω、電容抗XC =12Ω,則此串聯電路最大瞬間功率為多少瓦特? (A) 1200 (B) 1460 (C) 1600 (D) 1850
14. 如圖 ( 八 ) 所示電路,若流經 8 Ω 電阻之電流有效值為 10 A,則電源供給之平均功率 P 與虛功率Q 分別為何?(A) P=1000W、Q=2000VAR (B) P=2000W、Q=1000VAR (C) P=2000W、Q=2000VAR (D) P=1000W、Q=1000VAR
15. 有一 RL 串聯電路, R = 6 Ω, L = 6 mH,接於電壓源 v ( t ) = 120 sin ( 1000t + 60°) V,則此電路之電流i(t)為何? (A) sin(1000t + 15° )A (B)10sin(1000t + 15 ° )A (C)10 2 sin(1000 t+ 60 ° )A (D)sin(1000 t - 45° )A
19. 如圖(九)所示電路,電流I 為何?(A) – 3A(B) – 2A (C) 2A (D) 3A
20. 如圖(十)所示之暫態電路及電流iL (t)時間響應圖,電流IS =10 A,時間常數 τ 為0.02秒。 已知電阻 RS = 2 Ω,且電感在開關 S1閉合前無儲存能量,當時間為零時 ( t = 0 秒 ) 開關 S1 閉合(導通),則此電路的直流電壓源ES與電感LS分別為何?(A) ES=20V、LS=40mH (B) ES=10V、LS=30mH (C) ES=20V、LS=20mH (D) ES=10V、LS=10mH
21. 用示波器量測弦波電壓信號,其測試棒及示波器端之衰減比設定皆為 1: 1,電壓信號波形如圖 ( 十一 ) 所示,若電壓信號的峰值對峰值為 20 V,頻率為 500 Hz,則示波器設定垂直刻度(VOLTS/DIV)與水平刻度(TIME/DIV)分別為何?(A) 垂直刻度為10V/DIV、水平刻度為0.5ms/DIV (B) 垂直刻度為10V/DIV、水平刻度為5ms/DIV (C) 垂直刻度為5V/DIV、水平刻度為10ms/DIV (D) 垂直刻度為5V/DIV、水平刻度為0.5ms/DIV
26. 如圖(十四)所示之週期性電壓v (t),若Vp=10V、T=5ms、t1=3ms,則 v (t)之工作週期 D(duty cycle)與電壓平均值Vav分別為何?(A) D=3ms、Vav=6V (B) D=60%、Vav=6V (C) D=2ms、Vav=4V (D) D=40%、Vav=4V
28. 如圖 ( 十五 ) 所示電路,稽納二極體 ( Zener diode ) 之崩潰電壓 VZ = 20 V,最大額定功率 320 mW,且其逆向最小工作電流(崩潰膝點電流)IZK=2mA。若忽略稽納電阻,在RL=2kΩ 且正常工作時VO要維持20V,則電壓源VS之最小值及最大值分別為何?(A) 32V、46V(B) 34V、46V (C) 32V、50V (D) 34V、58V
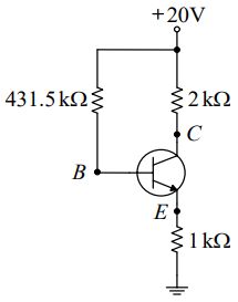
30. 如圖(十六)所示電路,VEE=–12V,RB=200kΩ,RC=1kΩ,若 BJT 之 β=100,VBE=0.7V, 則VC為何? (A) 6.35V(B) – 6.35V (C) 5.65V (D) – 5.65V
31. 如圖(十七)所示電路,VCC =18V,RC =3kΩ,RE =0.82kΩ,RF1=238kΩ,RF2=42kΩ, 若BJT之 β=100,且已知基極交流電阻rπ=1 kΩ,則電壓增益vo / vi約為何?(A) – 100(B) – 250 (C) – 280 (D) – 300
34. 如圖(十八)所示電路,MOSFET之臨界電壓(threshold voltage)Vt=2V,參數K=0.5mA/2, RD =2.2 kΩ,若已知VD =10.6V,則RS為何?(A) 0.5 kΩ (B) 0.9 kΩ (C) 1.2 kΩ (D) 1.5 kΩ
35. 如圖(十九)所示 MOSFET放大電路,RG=1.2MΩ,RD=2.2kΩ,RS=1.2kΩ,RL=10kΩ, 汲極交流電阻 r d 忽略不計,若電晶體操作於飽和區,此 MOSFET 於工作點之轉移電導 gm =2.4mA/V,則電壓增益vo / vi約為何?(A) –8.6 (B) –6.22 (C) –5.12 (D) –4.33
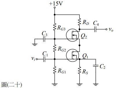
36. 如圖(二十)所示 MOSFET疊接放大電路,RS = 300 Ω,RD = 2.7 k Ω,RG1 = RG2 = 3 M Ω, RG3 = 4.7 M Ω。已知 MOSFET 均操作於飽和區且 Q1之轉移電導 gm1 = 25 mA / V, Q2之轉移電導gm2=30mA/V,汲極交流電阻rd均忽略不計,則電壓增益vo / vi為何?(A) –55 (B) –67.5 (C) –74.2 (D) –81
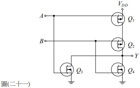
37. 如圖(二十一)所示 MOSFET邏輯電路,下列敘述何者錯誤?(A) 此電路之功能為反或閘(NOR gate ) (B) 若A為低電位,B為高電位,則輸出Y為高電位 (C) 若A為高電位,B為低電位,則輸出Y為低電位 (D) 輸入與輸出的布林代數關係為
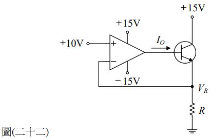
38. 如圖(二十二)所示電路,其中IO = 1mA,BJT之 β = 99,則電壓VR及電阻R 分別為何?(A) VR =7.5V、R=2.5Ω (B) VR =7.5V、R=10Ω (C) VR =10V、R=50Ω (D) VR =10V、R=100Ω
39. 如圖(二十三)所示之理想運算放大器電路與波形,若輸入電壓vs為500Hz之對稱三角波, 則輸出電壓vo之峰對峰值為何?(A) 16V (B) 12V (C) 8V (D) 4V R VR 15V 10V 15V 15V IO
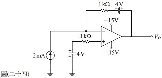
40. 如圖(二十四)所示之理想運算放大器電路,輸出電壓VO為何?(A) 4V (B) 6V (C) 8V (D) 10V
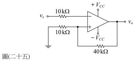
41. 如圖(二十五)所示電路,輸入電壓vs=10sin(3000t)V,若運算放大器的飽和電壓為± 10V, 則電路之上臨界電壓VTH及遲滯電壓VH分別為何?(A) VTH =1.2V、VH =2.4V (B) VTH =2V、VH =4V (C) VTH =3.6V、VH =7.2V (D) VTH =9V、VH =18V
45. 如圖 ( 二十六 ) 所示之理想二極體整流電路, vs為有效值 100 V、50 Hz 之正弦波電源,若變壓器的電壓規格:一次側120V、二次側0-12-24V,輸出電壓vo供給固定電阻負載RL, 則下列敘述何者正確?(A) vo的平均值為20 / πV(B) vo的有效值為12V (C)vo的漣波頻率為50Hz (D) vo的漣波週期為0.01秒
47. 如圖 ( 二十七 ) ( a ) 之 MOSFET 實驗電路, RS = 300 Ω,VR 已調整使得放大電路操作於 最佳工作點。信號產生器(F.G.)頻率設於2 kHz,以示波器CH1量測vi、CH2量測vo波形如圖(二十七)( b )與圖(二十七)( c )所示,CH1、CH2之輸入耦合均設置於DC,且示波器已完成歸零與調整適當。此電路之電壓增益vo / vi約為何?(A) 15 (B) 1.5 (C) –15 (D) –29
48. 如圖(二十八)所示電路,若VBE =0.7V,量測得BJT的C 極與E 極之電壓分別為VC =16V, VE =2.04V,則此BJT之 β 值為何?(A) 120 (B) 100 (C) 80 (D) 50