所屬科目:結構學概要與鋼筋混擬土學概要
一、圖示梁結構,A 點為固定支承,D 點為滾支承,梁中 C 點為鉸接點。承 載外力如圖所示,CD 段為三角形分布外力,B 點為集中外力 P。若已知 A 點之支承彎矩為 MA=340 kN-m,作用方向如圖示,試求 B 點集中外力 P 之值,並繪製在前述所有外力作用下,全梁之剪力圖與彎矩圖。(25 分)
二、如下圖所示之桁架結構,包含支承節點之所有節點均為鉸接點,所有桿 件之楊氏係數 E 與斷面積 A 之乘積 EA 均為相同。外力作用於節點 e 及 f 如圖所示,試求所有支承反力及桿件內力,請繪製該桁架結構,並標示 支承處反力,桿件內力標示於桿件旁,拉力為正( ) + ,壓力為負( ) − ,最 後並計算外力作用下 b 點之水平位移。(25 分)
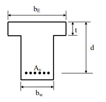
三、有一T 型梁斷面如圖示,有效翼寬bE= 90 cm、梁寬bw = 45 cm、版厚t= 10 cm、 有效梁深 d = 56 cm,混凝土fc ′ = 210 kgf/cm2,鋼筋 fy = 4200 kgf/cm2, 拉力筋 As = 6-D25(直徑 db= 2.54 cm), E= 2.04×106 kgf/cm2,求梁斷面 之設計強度 Mds(tf·m)。(25 分)
四、有一混凝土矩形懸臂梁,長度 L= 300 cm,斷面 bw = 35 cm、d = 57 cm, 承受均佈活載重 WL = 2.5 tf/m、均佈靜載重(含梁自重)WD = 1.5 tf/m, 以及軸向拉力T= 1.8 tf,混凝土fc ′ = 210 kgf/cm2,使用D10(直徑db= 0.95 cm) 垂直肋筋,fyt = 2800 kgf/cm2,試計算在臨界斷面處之最小肋筋間距 S(cm)。 (25 分)