所屬科目:船用電學與自動控制概要
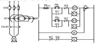
一、請說明下圖如果 MCF 激磁線圈發生斷路而無法激磁,當按下 PBF 按鍵 式開關時,電路(含燈號)與馬達的反應。(25 分)
三、請說明下圖串激式直流發電機(Series excited DC generator)的克西荷夫 電壓方程式。 (5 分)並依據該方程式說明當負載電流增加時,激磁的變 化與端電壓的變化情形。(20 分)