所屬科目:電子學
4.峰值為 60 伏特之三角波電壓,其有效值為多少伏特? (A) 40 (B) 60 (C) 30 (D) 30
6.如【圖 6】所示稽納二極體 Vz = 20V,請問其工作於什麼區? (A)負電阻區 (B)順向區 (C)崩潰區 (D)截止區
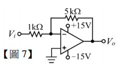
7.假設運算放大器為理想特性【圖 7】所示,當 Vi = -5V 時,則 Vo 應為何? (A) -25 V (B) -20 V (C) 15 V (D) 25 V
8.如【圖 8】所示 VBE = 0.7V,當 Vcc = 20.7V,β = 49 時,則基極電流 IB 為多少? (A) 0.1 mA (B) 0.2 mA (C) 0.08mA (D) 0.01mA
17.如【圖 17】所示,為兩個稽納二極體所構成截波電路,其輸入信號為 Vi(t),稽納二極體之順向偏 壓為 1V,而其在反偏之崩潰電壓分別為 VZ1 = 3V 與 VZ2 = 5V,則輸出信號 Vo(t) 的平均值電壓應為多少? (A) -0.4V (B) 0.3V (C) 0.4V (D) 0.5V
19.如【圖 19】所示之電路,若電晶體 β=100、VBE=0.7V,Vcc=20V,則 RB 電阻應選用多少,才能使 電晶體工作在飽和區?(提示:飽和區為 VCE=0V 且 βIB>IC)(A) 150kΩ(B)120kΩ (C) 100kΩ (D) 90kΩ
20.如【圖 20】所示,求 Vo= ? (A) 0V (B) -3V (C) 3V (D) 15V
21.【圖 21】所示之最大功率轉移變壓器匝數比值 M:N 為何? (A) 25/36 (B) 5/36 (C) 5/6 (D) 6/5
22.如【圖 22】所示電路,當發生振盪時,Vo 的輸出波形為何?(A)直流 (B)方波 (C)正弦波 (D)三角波
24.如【圖 24】所示,Ri = 2 kΩ、Ro = 5 kΩ,轉導放大器之阻抗 Rs = 2 kΩ,轉導增益 Gms = 2 mA/V, 則 Vo/Vi = ? (A) 10 (B) 5 (C) -10 (D) -5
25.如【圖 25】所示電路中,若二極體切入電壓為 0.6V,則 Vo 的電壓為何? (A) 3.9V (B) 4.25V (C) 6.1V (D) 6.4V
29.如【圖 29】所示電路,若稽納二極體的崩潰電壓 VZ=6V,其電流限制在 10mA,則電阻 R 應該選 用以下何值? (A) 0.4kΩ (B) 4kΩ (C) 6kΩ (D) 8kΩ
30. BJT 操作在下列何種情形下,? (A)飽和區 (B)作用區 (C)反向區 (D)截止區
35.如【圖 35】所示電路,若 V1 及 V2 皆為輸入(0V 或 5V),則此電路之功能相當於下列何種邏輯電路? (A) NAND (B) NOR (C) AND (D) OR
36.如【圖 36】所示電路,此放大器之輸入電阻約為何? (A) 13kΩ (B) 390 kΩ (C) 26 kΩ (D) 806 kΩ
37.如【圖 37】所示電路,若輸入 vs 為方波,則此電路之輸出 vo應為何種波形? (A)方波 (B)突波 (C)弦波 (D)三角波
41.如【圖 41】,若 D1、D2 為理想二極體,在順向導通時之跨壓值皆為 0V, 試求流經電阻 1kΩ之電流 I 為何? (A)1mA (B)2mA (C)4mA (D)8mA
42.如【圖 42】所示電路,若 Vs=4sinωt V,VB=2V,二極體可視為理想元件,則輸出電壓 Vo之最低 值為何? (A) 1V (B) 2V (C) 3V (D) 4V
43.如【圖 43】所示電路,若 Vs=4sinωt V,VB=2V,二極體可視為理想元件,則輸出電壓 Vo之最高 值為何? (A) 1V (B) 2V (C) 3V (D) 4V
44.【圖 44】之偏壓電路中,若電晶體操作在作用區,且其 VBE=0.7V,β=150,試求 IC=? (A) 3mA (B) 4mA (C) 5mA (D) 6mA
45.【圖 45】之二極體均具有理想特性,則 VAB 的最高電壓值約為多少? (A) 2.8V (B) 3.5V (C) 4.8V (D) 6V
46.則 IB 約為何? (A) 20mA (B) 2mA (C) 0.2mA (D) 0.02mA
48.如【圖 48】所示電路,若 v1=5mV,v2=3mV,則 vo 為何值? (A) 60mV (B) 30mV (C) -30mV (D) -60mV
49.在【圖 49】的電路中,若 V1=1V、V2=1V、V3= -1V,則 Vo=? (A)-2V (B)-3V (C)-4V (D)-5V
50.【圖 50】所示電路中,ID=20mA, 則 VGS=? (A) 3V (B) 4V (C) 5V (D) 6V