所屬科目:結構學概要與鋼筋混擬土學概要
一、圖示為一桁架,試求 B 點的垂直與水平變位。E 為楊氏模數,A 為桿件截 面積。(25 分)
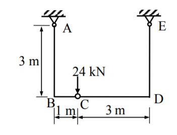
二、圖示為一剛架,C 點為內鉸接。試繪桿件 BCD 之剪力圖與彎矩圖。(25 分)
三、請回答:
四、有一鋼筋混凝土單筋梁,矩形斷面寬度 b=30 cm。配置拉力鋼筋為 3 根 D32,有效深度 d=53 cm。混凝土抗壓強度 f 'c =210 kgf/cm2,鋼筋降伏強度 fy=4200 kgf/cm2。試計算強度折減係數 Φ 與設計彎矩強度 ΦM n 。一根 D32 鋼筋之截面積 8.14 cm2。(25 分)