所屬科目:捷運◆電子學概要
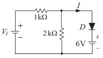
1. [ ] 如右圖所示之電路,D 為理想二極體, Vi=12 V,則電流 I 為何? (A) 3mA (B) 4mA (C) 5mA (D) 6mA
4. [ ] 右圖 Q1與 Q2對稱,且 Vi1=Vi2,在正常運作 下,RE阻值調高的影響為: (A) IE變小、VO1變低、VO不變 (B) IE變小、VO1變高、VO不變 (C) IE變大、VO1變低、VO不變 (D) IE變小、VO1變高、VO變高。
5. [ ] 右圖屬於何種電路? (A)積分器 (B)微分器 (C)反相放大器 (D)非反相放大器。
7. [ ] 右圖為雙極性接面電晶體的輸出特性曲線,其 中直線為負載線,A、B、C、D 為四個 IB不同 之工作點。請問那個工作點可以得到最大的輸 入訊號振幅? (A)A (B)B (C)C (D)D。
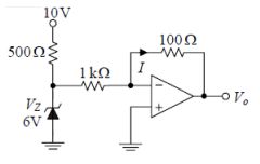
10. [ ] 右圖所示之理想運算放大器電路,電流 I 為何? (A) 0mA (B) 6mA (C) 10mA (D) 20mA。
12. [ ] 如右圖所示之電路,若 Vcc=20V,RL=50Ω, 則此放大器最大交流輸出功率為何? (A) 4W (B) 3W (C) 2W (D) 1W。
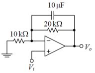
14. [ ] 如右圖所示之理想運算放大器電路,其高 頻電壓增益約為何? (A) 0dB (B) -10dB (C) -15dB (D) -20dB。
18. [ ] 如右圖所示之電晶體放大器電路,下列何 者為 Q1 與 Q2 的連接方式? (A)電感耦合 (B)電阻電容耦合 (C)變壓器耦合 (D)直接耦合。
21. [ ] 如右圖所示電路,Vi為輸入信號,RL為負載, 下列何者為此放大器電路組態? (A) 共基極放大器 (B) 共射極放大器 (C) 共集極放大器 (D) 射極隨耦器。
25. [ ] 如右圖所示之理想運算放 大器電路,若 R1=R2=R3=1k Ω,R4=20kΩ,Vi=1V,則 VO 為多少? (A) -20V (B) -15V (C) 15V (D) 20V。
26. [ ] 如右圖所示之穩壓電路,在正常工作下,當 Vs固定而 RL變大時,下列敘述何者正確? (A) IS變大 (B) IL變大 (C) IL不變 (D) IZ變大。
27. [ ] 如右圖所示之電路,其功能為何? (A)電壓放大器 (B)峰值檢波器 (C)截位器 (D)定位器。
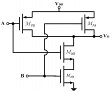
28. [ ] 如右圖所示,下列答案之敘述,何者錯誤? (A)輸出點為兩個電晶體的源極 (B)此電路接地之電晶體為 NMOS (C)實現這個電路需要用 CMOS 製程技術 (D)這個電路為一個反相器。
29. [ ] 如右圖所示電路,A 與 B 為輸入,VO為 輸出,則此電路可執行何種邏輯函數? (A) NAND (B) NOR (C) AND (D) OR。
34. [ ] 如右圖所示電路,為一偏壓電路及其直流輸出負載線,若原工作點 在 Q1位置,欲 修正工作點至 Q2位置,則應: (A)減少 RB (B)增加 RB (C)減少 RC (D)增加 RC。
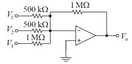
36. [ ] 如右圖所示電路,V1 = 1V,V2 = 2V, V3 = 3V,則輸出電壓 Vo為何? (A) -9V (B) -7V (C) 7V (D) 9V。
40. [ ] 如右圖所示電路,若該電路中 D1、D2 和 D3 皆為理想二極體,且以正邏輯系統來 看,接近 0V 之電壓值代表邏輯 0,而靠近 +5V 之電壓值代表邏輯 1,則該電路輸出 vY與輸入 vA、vB和 vC為何種邏輯閘? (A) AND (B) OR (C) NOR (D) NAND。
42. [ ] 如右圖所示之電路,輸 出電壓 Vo為何? (A) +Vm (B) -Vm (C) +2Vm (D) -2Vm。
46. [ ] 如右圖所示之電路,其功能為何? (A)半波整流器 (B)全波整流器 (C)積分器 (D)微分器。