所屬科目:捷運◆電子學概要
1. 下圖所示的理想運算放大器,開迴路電壓增益為何? (A)0 (B) (C) (D)∞
2. 下圖所示的理想運算放大器,輸入端電壓差()為何?(A)0 (B) (C) (D)∞
3. 下圖所示的理想運算放大器,輸入端電阻為何? (A)0 (B)(C)R1 (D)∞
5. 接續第 3 題,輸入端電阻為何?(A)0 (B)(C)R1 (D)∞
6. 下圖所示的理想運算放大器,輸出端電阻為何?(A)0 (B)(C)R1 (D)∞
7. 接續第 6 題,輸出端電阻為何? (A)0 (B)(C)(D)∞
8. 下圖所示的兩級運算放大器,電壓增益為何? (A) (B)(C) (D)
9. 下圖所示 BJT 偏壓電路,BJT 操作於飽和區條件為何? (A)順偏、逆偏 (B)順偏、順偏 (C)逆偏、順偏 (D)逆偏、逆偏
12. 下圖所示電阻之電阻值為 7.3MΩ±5%,其色碼由左至右為何? (A)藍紅黃金 (B)藍紅黃銀 (C)紫橙綠金 (D) 紫橙綠銀
13. 下圖所示 BJT 放大器架構為何? (A)共基極放大器 (B)共射極放大器 (C)共集極放大器 (D)共閘極放大器
17. 接續第 13 題,有關電阻,可提供電路何種機制? (A)正回授 (B)負回授 (C)正負回授 (D)負正回授。
19. 接續第 13 題,電容的主要作用為何? (A)電晶體射極端,產生小信號地。 (B)降低放大器雜訊 (C)增加放大器增益 (D)直流充電
20. 接續第 13 題,輸入端之小信號電阻為何? (A)(B) (C)(D)
21. 接續第 13 題,電晶體轉導,放大器電壓增益(vo/vi)為何? (A) (B) (C)(D)
22. 下圖所示 BJT 放大器,當壞掉,變成斷路,輸入端之小信號電阻為何? (A)(B)(C)(D)
23. 接續第 22 題,電晶體轉導 gm,放大器電壓增益(Av=vo/vi)為何? (A) (B) (C) (D)
24. 比較第 13 題與第 22 題的 BJT 放大器。當壞掉,變成斷路, 輸入端之小信號電阻如何變化? (A)變∞ (B)不變 (C)變大 (D)變小
25. 比較第 13 題與第 22 題的 BJT 放大器。當壞掉,變成斷路, 放大器電壓增益(Av=vo/vi)如何變化? (A)變∞ (B)不變 (C)變大 (D)變小
26. 下圖所示 BJT 放大器,當與皆壞掉,變成斷路。電晶體轉導,放大器電壓增益(Av=vo/vi)的絕對值為何? (A) 0 (B) ∞ (C) (D)
27. 下圖所示電容,其電容值範圍為何? (A)4.5μF~5.5μF (B)4.75μF~5.25μF (C)4.5pF~5.5pF (D)4.75pF~5.25pF
28. 下圖所示 MOS 放大器,電晶體 Q1與 Q2之轉導,通道 調變電阻,使用理想電流源 I 偏壓。問此放大器架構為何? (A)共源極放大器 (B)共閘極放大器 (C)共汲極放大器 (D)共基極放大器
30. 接續第 28 題,理想電流源的電阻為何? (A)∞ (B)0 (C) (D) I
31. 接續第 28 題,輸入電阻為何? (A)gm (B) (C) (D)
32. 接續第 28 題,小信號電阻 Rout2為何? (A) (B) (C)(D)
33. 接續第 28 題,放大器電壓增益(Av=vo/vi)為何? (A)(B)(C) (D)
34. 下圖所示 MOS 放大器,當壞掉,變成斷路。放大器電壓增益如何變化? (A)變大 (B)變小 (C)不變 (D)變小後變大
36. 下圖所示 MOS 放大器,當電晶體Q2壞掉,變成斷路。放大器電壓增益如何變化? (A)不變 (B)變小後變大 (C)變大 (D)變小
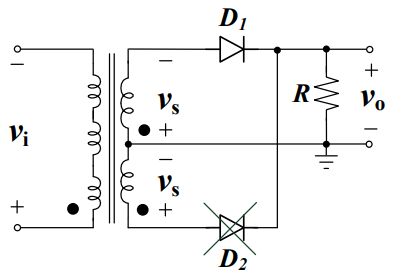
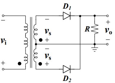
38. 下圖所示電路,形式為何? (A)升壓 (B)降壓 (C)全波整流 (D)半波整流
40. 接續第 38 題,每一個二極體導通電壓為,有關與敘述, 何者正確? (A) (B) (C) (D)
41. 下圖電路,當二極體 D2壞掉,變成斷路,仍具有何者功能? (A)升壓 (B)降壓 (C)全波整流 (D)半波整流
43. 下圖所示信號產生電路,輸出波形為何? (A)三角波 (B)方波 (C)正弦波 (D)餘弦波
44. 接續第 43 題,輸出信號的頻率為何? (A) (B) (C) (D)
45. 接續第 43 題,一個電容壞掉,變成斷路,如下圖所示,輸出信號的頻率有何變化? (A)不變 (B)變小 (C)變大 (D)不一定
46. 下圖所示數位邏輯網路,輸出 Y 與輸入 A、B、C、D 的布林代數式為何? (A)Y= A ∙ B ∙ C ∙ D (B)= A ∙ B ∙ C ∙ D (C)Y = A + B + C + D (D)= A + B + C + D
47. 下圖所示上拉式數位邏輯網路,輸出 Y 與輸入 C、D、E、F 的 布林代數式為何? (A) (B) (C) (D)
48. 接續第 47 題,電晶體壞掉,變成斷路,如下圖所示,輸出信號為何? (A) (B) (C) (D)以上皆非
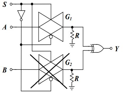
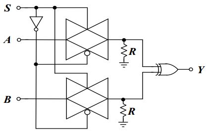
49. 下圖所示數位傳輸閘邏輯網路,R=5 kΩ,下列敘述,何者正確? (A)當 S =1,輸出Y = A ⊕ B (B)當 S =0,輸出Y = A ⊕ B (C)當 S =0,輸出Y = A + B (D)當 S =1,輸出Y = A + B
50. 接續第 49 題,當傳輸閘 G2壞掉,變成斷路,下列敘述何者正確: (A)當 S=0,A=0,B=1,輸出 Y=1 (B)當 S=0,A=0,B=1,輸出 Y=0 (C)當 S=1,A=0,B=1,輸出 Y=1 (D)當 S=1,A=0,B=1,輸出 Y=0