所屬科目:捷運◆電子學概要
1. 如圖所示電路,假設二極體 D 為理想二極體,試求電流 ID 為何?(A) 1 mA (B) 2 mA (C) 3 mA (D) 4 mA。
2. 如圖所示電路,假設二極體 D 之切入電壓 Vr = 0.6V、逆向電阻 Rr = ∞,試問電流 ID為何?(A) 0.65 mA (B) 0.85 mA (C) 1.85 mA (D) 2.85 mA。
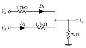
3. 如圖所示電路,假設二極體 D 之切入電壓 Vr = 0.7V、順向導通電阻 Rf = 300Ω 、逆向電阻 Rr = ∞。若 VA =10V、VB = 0V ,試問輸出電壓 Vo 為何?
(A) 1.65 V (B) 2.65 V (C) 3.65 V (D) 4.65 V。
4. 如圖所示為橋式全波整流電路,若輸入電壓有效值vs = 110 V、頻率 f = 50 Hz 之交流電壓,匝數比 N1 : N2 =5:1,假設二極體皆為理想二極體。試問下列敘述何者正確?(A) 輸出電壓頻率為 50 Hz (B) 輸出電壓有效值為 22 V (C) 輸出電壓平均值為 22 V (D) 二極體之逆向峰值電壓PIV=V。
5. 如圖所示電路,若稽納二極體的逆向崩潰電壓 VZ為 5V、順向電壓為 0.7 V ,則稽納二極體消耗功率 PZ 為何?
(A) 0 mW (B) 10 mW (C) 15 mW (D) 25 mW。
6. 如圖所示電路,假設二極體 D 之切入電壓 Vr = 0.7V,試求電流 I 為何?(A) 11.3 mA (B) 9.3 mA (C) 7.3 mA (D)5.3 mA。
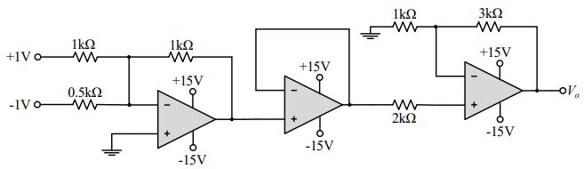
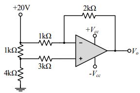
7. 如圖所示之理想運算放大器電路,其偏壓電源 VCC =15V ,則輸出電壓 Vo 為何?(A) 3V (B) 6 V (C) 8 V (D) 11V。
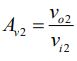
8. 如圖所示之運算放大器電路,若稽納二極體之稽納崩潰電壓 VZ 為 3.2V,試問在正常工作下的輸出電壓 Vo 為何?(A) 4.6 V (B) 5.8 V. (C) 7.8 V (D) 9.6 V。
9. 如圖所示之理想運算放大器電路,試求輸出電壓 Vo為何?(A) 10 V (B) 8.5 V (C) 6.5 V (D) 4 V。
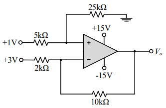
10. 如圖所示之理想運算放大器電路,試求輸出電壓 Vo 為何?(A) -13 V (B) -12 V (C) -11 V (D) -10 V。
11. 如圖所示為電晶體放大電路,已知雙極性接面電晶體(BJT)之β =99,小信號參數rπ為1kΩ ,則電流增益約為何?(A) 45 (B) 35 (C) -35 (D) -45。
12. 則電壓增益約為何? (A) -67 (B) -57 (C) 57 (D) 67。
13. 續上題之電晶體放大電路,試問電流增益約為何? (A) -0.33 (B) -0.83 (C) 0.33 (D) 0.83。
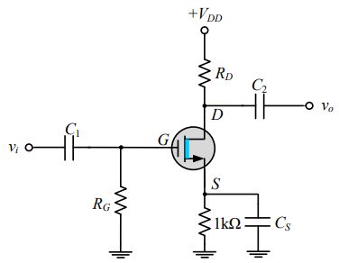
14. 如下圖所示電路,若 IDSS = 8mA 、VP = -4V、VDD =15V、 RS =1kΩ ,當電路中之 RD 可變,則欲使電路工作於夾止區之最小電阻 RD為多少?(A) 0.5 k Ω (B) 1 k Ω (C) 1.5 k Ω (D) 2 k Ω。
15. 如圖所示為 MOSFET 放大電路,若 K =1.5mA / V2、VT =1V ,試問電壓增益約為何值?(A) -4 (B) -6 (C) -8 (D) -10。
16. 如圖所示為 N 通道空乏型 MOSFET,若夾止電壓 VP 為 –4V,試問下圖中之工作區為何? (A) 截止區 (B) 歐姆區 (C) 飽和區 (D) 以上皆非。
18. 如圖所示為一差動放大器,若電晶體 Q1 之= 25、vi1=1V ; Q2 之= 40、 vi2 = 0.5V。試求輸出電壓vod=vo1- vo2為何?(A) -5 V (B) -2 V (C) 2 V (D) 5 V。
19. 如圖所示為 MOSFET 之差動放大電路,若 Q1 及 Q2 特性完全相同。試問小信號之差模增益為何 ?(其中vd=vi1- vi2) (提示:利用差模等效半電路分析)
(A)✕gm✕RD (B)-✕gm✕RD (C)gm✕RD(D)-gm✕RD。
20. 如圖所示之 Av 、Ri、Ro 分別代表各級放大器之電壓增益、輸入及輸出阻抗,試問整體電路之電壓增益 為何?(A) 18 (B) 24 (C) 30 (D) 36。
21. 如圖所示為三級串級放大系統,試問總電壓增益 AvT (dB)為何值?(A) 50 dB (B) 100 dB (C) 200 dB (D) 250 dB。
23. 如圖所示為某放大器之頻率響應曲線,試問該曲線之頻帶寬度 BW 為何?(A) 47500 HZ (B) 53500 HZ (C) 59500 HZ (D) 64750 HZ。
24. 如圖所示為電阻-電容耦合串級放大電路,試問低頻響應主要是由下列何種因素決定?(A)耦合電容 (B)電晶體的極際電容 (C)電晶體的β (D)電路雜散電容。
27. 如圖所示為一主動帶通濾波器電路,試問該濾波器之頻帶寬度 B.W. 為何?(A) 1584 HZ (B) 1884 HZ (C) 2004 HZ (D) 2324 HZ。
28. 右圖所示為史密特波形整形電路,若 R1 =10k Ω 、 R2 = 20kΩ ,參考電壓 VR = 3V,若 OPA 的飽和輸出電壓為 ±12V,試問遲滯電壓 VH 為何值?(A) 4 V (B) 8 V (C) 10 V (D) 12 V。
29. 如圖所示為史密特波形整形電路,若 R1 =6kΩ 、R2 =12kΩ,OPA 的飽輸出電壓為±15V,試問上臨界電壓 VU 為何值?(A) 10.5 V (B) 9.5 V (C) 8.5 V (D) 7.5 V。
30. 如圖所示為方波產生電路,試問輸出波形vo 之振盪頻率fo為何?(A)(B)(C)(D)
33. 如圖所示邏輯閘電路,若兩輸入分別為 A 及 B,試問輸出 Y 為何?(A) A (B) A+B (C)(D) AB。
34. 如圖所示之邏輯閘電路,若輸出 Y 為 1 時,則下列 ABC 值何者正確?(A) 001 (B) 010 (C) 111 (D) 011。
35. 如圖所示之邏輯閘電路,其功能相當於哪一個邏輯閘?(A) OR 閘 (B) NAND 閘 (C) NOR 閘 (D) AND 閘。
36. 如圖所示之邏輯閘電路,下列何者為該邏輯閘電路之真值表? (A) (B) (C) (D)。
38. 如圖所示之邏輯閘電路,試問輸出 Y 為何?(A)(B)(C) A•B•C •D (D) 。
39. 如圖所示之邏輯閘電路,當 S1= 0、 S2=1 時,則輸出 Y 為何?(A) Y =A (B) (C) Y =1 (D) Y = 0 。
40. 如圖所示之邏輯閘電路,試問此邏輯閘為何種閘?(A) OR 閘 (B) XOR 閘 (C) XNOR 閘 (D) AND 閘。
42. 如圖所示之邏輯閘電路,試問此邏輯閘為何種閘?(A) OR 閘 (B) NAND 閘 (C) NOR 閘 (D) AND 閘。
43. 如圖所示之邏輯閘電路,試問輸出 Y 為何?(A) A (B) (C) 0 (D) 1。
44. 如圖所示為 CMOS 反相器電路,VDD = +5V ,假設 MOSFET 的臨界電壓分別為 VTN =1V、VTP = -1V , KN = 0.6mA/V2、KP = 0.2mA/V2。試問當輸入電壓 Vi為 5V 時,EPMOS 與 ENMOS 分別工作於何區域?(A) EPMOS:飽和區;ENMOS:飽和區 (B) EPMOS:歐姆區;ENMOS:歐姆區 (C) EPMOS:截止區;ENMOS:歐姆區 (D) EPMOS:歐姆區;ENMOS:截止區。
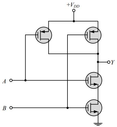
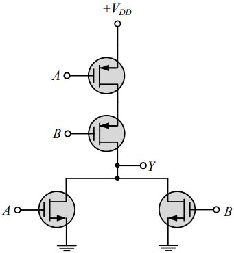
45. 如圖所示之 CMOS 數位電路,試問該電路的輸出 Y 為何?(A) Y=(B) Y=A•B (C)Y=A+B(D)Y=。
46. 如圖所示之 CMOS 數位電路,試問該電路的輸出 Y 為何?(A) Y= (B)Y=A•B (C)Y=A+B (D)Y=。
47. 如圖所示之 CMOS 數位電路,試問該電路的輸出 Y 為何?(A) Y= (B) Y=A•B (C) Y=A+B (D) Y= 。
48. 如圖所示為增強型負載反相器電路,VDD = +5V,假設 MOSFET 的臨界電壓分別為VT1=VT2=1V, K1 = 0.8mA/V2、 K2 = 0.2mA/V2。試問當輸入電壓 Vi 為 0V 時,此時輸出電壓 Vo 為何?(A) 0 V (B) 2 V (C) 4 V (D) 5V。
49. 如圖所示為 CMOS 反相器電路,VDD = +5V,假設 MOSFET 的臨界電壓分別為 VTN =1V、VTP = -1V , KN = 0.6mA/V2 、 KP = 0.2mA/V2 。試問當輸入電壓 Vi 為 5V 時,此時輸出電壓 Vo 為何?(A) 0 V (B) 2 V (C) 4 V (D) 5V。
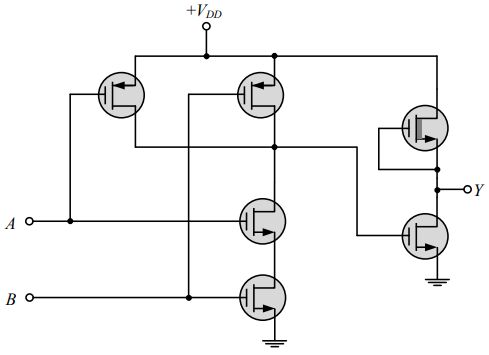
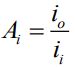
50. 如圖所示為達靈頓串級放大電路,已知雙極性接面電晶體(BJT) 之β1=99、β2=49。在忽略小信號參數 rπ1 及 rπ2 的情況下,試問電流增益約為何?(A) 100 (B) 200 (C) 300 (D) 400。