所屬科目:電子學
一、圖一電晶體直流增益β = 20,輸出電阻 ro→ ∞,熱電壓(Thermal voltage) VT = 25 mV,主動區 VEB = 0.7 V,飽和區 VEB = 0.7 V 且 VEC = 0.3 V,小訊號 vsig(t) = 0.1 sinωt mV,輸入端電容 Cin → ∞,電感 LB→ ∞。先列式作 直流分析,求算流出電晶體之直流電流 IB與 IC、以及流入之直流電流 IE, 判斷電晶體之工作區,再畫出 vo(t)波形。(20 分)
二、圖二(1)的運算放大器具有理想特性,R1 = R2 = 10 kΩ。正負偏壓為, vs(t)為週期 T 之連續三角波如圖二(2)。先畫出 vo-vs之轉換特性曲線,再 依照 vs(t)波形畫出對應的 vo(t)波形。(20 分)
三、圖三為回授放大器的方塊圖,放大器 A 之開迴路增益(open-loop gain) 為 A = xo/xi,且其輸出電阻為 Ro,在負載(RL)端為電壓取樣(voltage sampling)xo = vo,回授網路的輸出電阻 Roβ → ∞。信號源 xs、回授信號 xf = βxo、以及 A 之輸入 xi = xs – xf 三者可以同樣是電壓 v 或電流 i,畫出 放大器 A 與β網路兩者之輸出端等效戴維寧(Thevenin)或諾頓(Norton) 電路,並據以列式推導此回授放大器輸出電阻 Rof公式。(20 分)
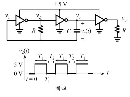
四、圖四無穩態複振器(astable multivibrator)三反相器輸出邏輯“0”與“1”分 別為 0 與+5 V,輸出電阻為零,輸入電阻無限大,輸入低於 2 V 視為 “0”,高於 4 V 視為“1”,電壓介於 2 V 與 4 V 之間時,反相器不改變輸 出。R = 1 kΩ,C = 10 μF。電路圖下方為 v2(t),畫出對應的 v1(t)波形,並 求算 T1與 T2。ln2 = 0.6931,ln3 = 1.099。(20 分)
五、圖五是 1-bit CMOS 靜態隨機存取記憶體(SRAM)電路,A、B 與 Q 均 為低電位(邏輯 0)或高電位(邏輯 1)的變數,分別表示「非 B」 與「非 Q」。電路中所有 MOS 電晶體已經妥善設計,使 SRAM 可正確操 作於閒置(standby)、寫入(writing)與讀取(reading)三種模式。欲進 入閒置與讀取“Q = 1”兩種模式,分別說明變數 A 與 B 之設定、其順序及理由。(20 分)