所屬科目:電子學
3.如【圖 3】所示電路,Rs=400Ω 且使用 16Ω 喇叭,若要達到「阻抗匹配」的效果,則變壓器初級與次級線圈之圈數比(N1:N2)為何? (A) 800:20 (B) 220:110 (C) 200:40 (D) 100:32
10.如【圖 10】所示波形,工作週期(Duty cycle)D 為何? (A) 33.33% (B) 50.00% (C) 66.67% (D) 100.0%
11.如【圖 11】所示電路,若稽納二極體為理想,且 VZ=6V,若 Vi=12V,則 Vo 為何? (A) 3V (B) 6V (C) 9V (D) 12V
13.如【圖 13】所示電路,其功能與下列何種電路相同? (A)共射極放大器 (B)源極隨耦器 (C)非反相放大器 (D)多諧振盪器
17.如【圖 17】所示電路,若 Q1 與 Q2 電晶體特性相同,β=100,且 VBE=0.7V,則 I 電流為何? (A) 4.15mA (B) 4.50mA (C) 8.30mA (D) 9.00mA
18.如【圖 18】所示電路,假設二極體為理想,當 Vi= -5V 時,則輸出電壓 Vo為何? (A) 3.8V (B) 0V (C) -3.8V (D) -5V
19.如【圖 19】所示截波電路,假設二極體為理想,若 Vi 輸入電壓為 0~50V,請問下列何種二極體 導通(ON)、截止(OFF)狀態是不會發生的? (A) D1 OFF、D2 OFF (B) D1 OFF、D2 ON (C) D1 ON、D2 OFF (D) D1 ON、D2 ON
20.如下圖所示電晶體反相器(Inverter),二極體 D 為理想、電晶體飽和電壓為 0V,假設輸入電壓 Vi=5V,且電路正常工作,下列敘述何者正確? (A)二極體 D 導通(ON) (B) IB=0.33mA (C) IC=4.09mA (D) hFE 之最小值為 12.2
21.如【圖 21】所示,電晶體在飽和區工作下,若 VBE(SAT)=VCE(SAT)=0V,請問集極電流為何? (A) 4.29mA (B) 5.14mA (C) 6.29 mA (D) 7.60mA
22.如【圖 22】所示,為 OPA 為理想,稽納二極體之稽納電壓 VZ=6.3V、順向電壓為 VF=0.7V,若 VS=0.6V,請問輸出電壓 VO 為何? (A) +12V (B) +7V (C) -7V (D) -12V
25.如【圖 25】所示電路,假設 D 為理想型二極體,則 Vo值為何? (A) 1V (B) 5V (C) 6V (D) 11V
31.如【圖 31】中 OPA 為理想運算放大器 Vcc=15V,輸入信號:Vin 為三角波,其峰值為 10mV、平均値為 0,則 Vout 為何? (A)峰值為 15V 方波 (B)峰值為 15V 三角波 (C)峰值為 10mV 三角波 (D)輸出為 0,沒有波形產生
32.如【圖 32】所示,求電流 I 之大小為何? (A) 1mA (B) 2.5mA (C) 5mA (D) 5.5mA
33.如【圖 33】所示電路,射極旁路電容器 CE 之主要功能為何? (A)提高偏壓穩定度 (B)提高輸入阻抗 (C)保護電晶體(避免射極電流過大而燒毀) (D)提高交流信號的電壓增益
34.如【圖 34】所示為下列何種電路? (A)微分器 (B)反相器 (C)比較器 (D)積分器
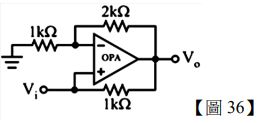
36.如【圖 36】所示,求電壓增益 AV=Vo/Vi 為何? (A) 2 (B) 3 (C) -1 (D) -0.5
37.如【圖 37】所示之電路為下列何種濾波電路? (A)帶通濾波器 (B)帶拒濾波器 (C)高通濾波器 (D)低通濾波器
40.如【圖 40】所示電路(假設 C、RL值均很大),Vi 為 AC100V、60Hz 正弦波,則 Vo約為何? (A) 28V (B) 20V (C) 7V (D) 90V
41.如【圖 41】所示電路,假設 D 為理想二極體,輸入信號(Vi)為 5kHz、峯對峯值為 20V 之方波(其平均值為 0V),則輸出電壓 Vo的平均值為何? (A) 0V (B) -11V (C) -6V (D) -2V
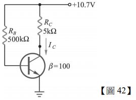
42.如【圖 42】所示電路,電晶體為矽質材料,工作於正常線性放大區域,求 IC 值為何? (A) 1mA (B) 2mA (C) 3mA (D) 4mA
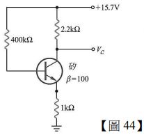
44.如【圖 44】所示之電路,射極電壓 VC約為何? (A) 3V (B) 6.6V (C) 9.1V (D) 15.5V
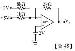
45.如【圖 45】所示電路,求 Vo大小為何? (A) -3V (B) -4V (C) 2V (D) 5V
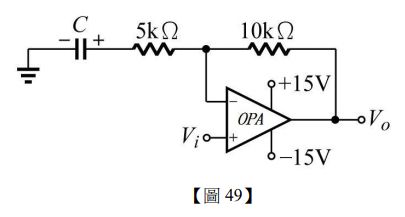
49.如【圖 49】所示 OPA 電路,輸入信號 Vi= 2+0.1sin(ωt+θ) V,假設 ωC 值趨近於無限大,則 VO為何? (A) 2+0.1sin(ωt+θ) V (B) 2+0.3sin(ωt+θ) V (C) 6+0.3sin(ωt+θ) V (D) 6+0.1sin(ωt+θ) V
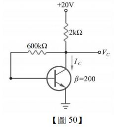
50.如【圖 50】所示之電路(矽電晶體),VC 約為多少? (A) 0.2V (B) 9.5V (C) 12.3V (D) 20V